Разбираем раздаточную коробку для выявления и замены изношенных деталей
- 1. Поместить раздаточную коробку на рабочий стол таким образом, чтобы ее задняя часть или задняя крышка находилась вверху.
- 2. Поместить деревянный брусок под переднюю часть раздаточной коробки, чтобы отрегулировать ее положение.
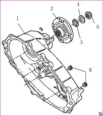
- 3. Зафиксировать задний фланец раздаточной коробки, отвернуть крепежную гайку и снять шайбу. Затем снять задний фланец и сальник.

4. Отвернуть заправочную и сливную пробки.
Примечание:
Ниже описываются операции по разборке раздаточной коробки с электрическим переключением.
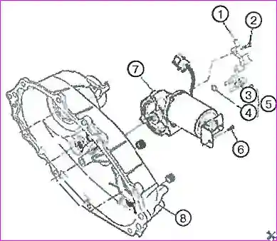
5. Отвернуть болт, снять шайбу, затем отвернуть три болта и снять датчик и зажимы электропроводки.

- 6. Снять датчик в сборе и уплотнительное кольцо.
- 7. Снять мотор в сборе.
Примечание:
Ниже описываются операции по разборке раздаточной коробки всех модификаций.
- 8. Разобрать заднюю крышку раздаточной коробки:
- 1) Отвернуть девять винтов и снять зажимы электропроводки и идентификационную пластину.
Примечание:
Соблюдать осторожность при обращении с идентификационной пластиной, так как она содержит важную информацию.

- 2) Осторожно поддеть заднюю крышку раздаточной коробки при помощи подходящего приспособления и снять ее движением вверх.
- 3) Снять сальник, подшипник, затем отвернуть три гайки и снять муфту (для модификации с раздаточной коробкой с электрическим переключением).
- 4) Снять стопорное кольцо, извлечь подшипник из задней крышки раздаточной коробки и снять ведущую шестерню одометра.
- 5) Извлечь игольчатый подшипник из задней крышки раздаточной коробки.
- 6) Извлечь сальник из задней крышки раздаточной коробки.
- 7) Снять магнит из передней крышки раздаточной коробки.
- 8) Снять возвратную пружину с направляющего вала.
- 9) Удалить следы старого герметика с установочных поверхностей передней крышки раздаточной коробки и задней крышки раздаточной коробки.
Примечание:
Соблюдать осторожность, чтобы не повредить установочные поверхности передней крышки раздаточной коробки и задней крышки раздаточной коробки.
- 9. Снять компоненты механизма блокировки переключения
- 1) Снять стопорное кольцо, затем втулку скользящей муфты из ступицы блокировки переключения.

- 2) Снять ступицу блокировки переключения с выходного вала.
- 3) Снять втулку переключения в сборе и вилку переключения с выходного вала и направляющего вала вилки включения. Отсоединить все компоненты и снять вал вилки включения.
- 4) Разобрать втулку переключения в сборе. Для этого, необходимо снять стопорное кольцо, муфту переключения, возвратную пружину и втулку блокировки.
- 5. Снять компоненты цепного привода.
- 1) Снять стопорное кольцо и шайбу с переднего выходного вала.

- 2) Снять ведущую звездочку, ведомую звездочку и приводную цепь в сборе с двумя выходными валами.
- 3) Отсоединить звездочку от приводной цепи.
- 6. Снять масляный насос.

- 1) Снять выходной вал и масляный насос в сборе из корпуса раздаточной коробки.
- 2) Снять хомут шланга, шланг и Фильтр масляного насоса.
- 7. Снять компоненты механизма включения пониженной передачи:
- 1) Снять ступицу и вилку включения пониженной передачи с корпуса.

- 2) Снять две пластиковые накладки с вилки включения пониженной передачи.
- 3) Если требуется произвести замену поврежденных компонентов вилки включения пониженной передачи, то необходимо срезать пластиковую втулку, и снять штифт и контактный ролик.
- 8. Снять передний выходной вал:
- 1) Зафиксировать передний фланец, отвернуть гайку и снять шайбу, затем снять передний фланец и сальник.

- 2) Снять пыльник переднего фланца.
- 3) Снять передний выходной вал.
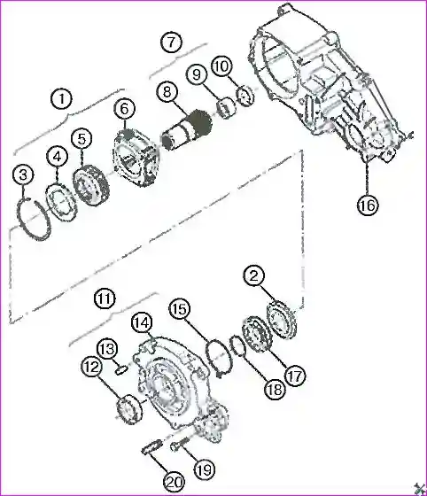
- 9. Разобрать передний корпус, снять входной вал и планетарный механизм в сборе.
- 1) Снять вентиляционный клапан.

2) Отвернуть шесть крепежных болтов. Отсоединить передний корпус от корпуса раздаточной коробки, и снять передний корпус.
Примечание:
Соблюдать осторожность, чтобы не повредить установочные поверхности переднего корпуса и корпуса раздаточной коробки.
- 3) Снять стопорное кольцо, и снять входной вал и планетарный механизм в сборе.
- 4) Зафиксировать один конец входного вала и отогнуть длинный конец стопорного кольца.
- 5) Снять стопорное кольцо и сальник с переднего корпуса. Снять штифт (только в том случае, если необходимо произвести его замену).
- 6) Снять стопорное кольцо подшипника, подшипник и проставку с входного вала. Снять входной вал в сборе с планетарного механизма в сборе.
- 7) Снять игольчатый подшипник и вкладыш подшипника с входного вала.
- 8) Снять стопорное кольцо, упорную шайбу и центральную шестерню планетарной передачи с держателя планетарного механизма.
Примечание:
Не пытаться разобрать держатель планетарного механизма
- 10. Снять компоненты механизма переключения (для модификации с раздаточной коробкой с электрическим переключением).
- 1) Снять кулачок механизма переключения в сборе из переднего корпуса раздаточной коробки.

- 2) Снять кулачок механизма переключения с направляющего вала переключения.
- 3) Зафиксировать один конец направляющего вала в тисках, отсоединить пружину при помощи выколотки, и затем снять ее.
- 11. Разобрать передний корпус раздаточной коробки.
- 1) Снять сальник.

- 2) Снять стопорное кольцо и снять подшипник.
- 3) Снять опорный палец с переднего корпуса раздаточной коробки.
Снятие опорного пальца необходимо производить только в том случае, если он изношен или поврежден.
4) Выпрессовать зубчатый венец из переднего корпуса раздаточной коробки.
Выпрессовать зубчатый венец только в том случае, если необходимо произвести его замену.