Примечание: операция замены охлаждающей жидкости и заправочные емкости приведены в статье "Техническое обслуживание".
- 1. Система охлаждения закрытого типа с принудительной циркуляцией охлаждающей жидкости и расширительным бачком. Система охлаждения состоит из рубашки охлаждения (сеть каналов внутри блока цилиндров и головки блока цилиндров), радиатора, насоса охлаждающей жидкости, термостата, электровентилятора радиатора, шлангов и других компонентов.
- 2. Насос лопастной, центробежного типа, устанавливается в передней части блока цилиндров и приводится ремнем привода навесных агрегатов.
- 3. Термостат устанавливается в подводящем патрубке двигателя. Твердый наполнитель внутри термостата расширяется при нагреве (открывая клапан) и сжимается при охлаждении (закрывая клапан). Клапан термостата начинает открываться при целевой температуре (примерно 82-84°C). При температуре около 95°C клапан термостата открыт полностью.
- 4. Крышка расширительного бачка является герметичной и поддерживает давление внутри системы. Работа системы под давлением предотвращает кипение охлаждающей жидкости, даже когда температура последней превышает 100°С.
Крышка радиатора имеет два предохранительных клапана паровой и вакуумный. Паровой клапан открывается для отвода пара через отводящую трубку (шланг), когда давление внутри системы охлаждения превысит предельно допустимое значение (температура охлаждающей жидкости 110-120°С). Воздушный (вакуумный) клапан открывается, чтобы уменьшить разрежение, возникающее в системе охлаждения после остановки двигателя и падения температуры (давление 7 кПа или меньше). Открытие клапана позволяет охлаждающей жидкости вернуться в систему из расширительного бачка.

Проверки и регулировки на автомобиле
Проверка герметичности системы охлаждения
1. Снимите крышку радиатора.
Примечание: охлаждающая жидкость может быть чрезвычайно горячей. Не снимайте крышку радиатора сразу после остановки двигателя, так как это приведет к выбросу пара и разбрызгиванию горячей или кипящей жидкости. Приступайте к работе с системой охлаждения только после остывания двигателя.
- 2. Убедитесь, что уровень охлаждающей жидкости доходит до заливной горловины радиатора.
- 3. Подсоедините тестер для проверки горловине расширительного бачка и создайте давление 93-123 кПа. Удерживая указанное давление в течение 2 минут, проверьте отсутствие утечек охлаждающей жидкости из радиатора, соединений шлангов или самих шлангов системы охлаждения.
Примечание: тщательно удалите влагу с поверхности всех деталей, проверяемых на отсутствие утечек.

4. При наличии утечек отремонтируйте или замените соответствующую деталь.
Проверка крышки радиатора
Примечание: перед проверкой убедитесь, что крышка радиатора чистая, поскольку ржавчина или другие посторонние вещества на уплотнительной прокладке крышки могут послужить причиной неправильных показаний манометра.
1. Проверьте крышку радиатора на отсутствие повреждений, трещин и ухудшения состояния уплотнения (износ и т.п.).

- 2. Добавьте на сальник крышки радиатора немного охлаждающей жидкости и подсоедините крышку радиатора к специальному тестеру.
- 3. Изменяйте давление до тех пор, пока стрелка манометра не остановится (давление открытия клапана).
Номинальное значение..... 93-123 кПа
4. Если стрелка манометра остается неподвижной в течение 10 секунд при величине давления, превышающей предельно допустимое значение давления срабатывания клапана, то крышка радиатора исправна.

5. Замените крышку радиатора, если давление срабатывания клапана ниже номинального значения.
Снятие и проверка термостата
Снятие
1. Перед началом снятия деталей на автомобиле слейте охлаждающую жидкость.
Отверните сливную пробку радиатора и слейте охлаждающую жидкость так, чтобы ее уровень был ниже термостата.
Примечание:
- - Для ускорения слива охлаждающей жидкости снимите крышку радиатора.
- - Во избежание ожогов не снимайте крышку радиатора или крышку расширительного бачка на горячем двигателе, так как жидкость и пар находятся под давлением.
2. Отсоедините нижний шланг (А) радиатора от впускного патрубка системы охлаждения.
Внимание: после отсоединения шлангов от радиатора необходимо закрыть пробками отверстия шлангах и радиаторе, чтобы не допустить попадания в них пыли или посторонних частиц.

3. Снимите впускной патрубок (А) системы охлаждения, прокладку и термостат (В).

Проверка
- 1. Проверьте, что клапан термостата плотно закрыт при комнатной температуре (20°С).
- 2. Проверьте отсутствие дефектов или повреждений термостата. Если присутствуют различные деформации, видимые повреждения или другие дефекты, то замените термостат.
- 3. Проверьте отсутствие ржавчины или отложений на клапане термостата. Если обнаружена ржавчина или отложения, то очистите клапан.
- 4. Проверка работы термостата.
а) Погрузите термостат в сосуд с водой и нагревайте воду при одновременном ее помешивании.

б) Проверьте, что температура начала открытия клапана, температура полного открытия клапана и величина хода клапана при полном его открытии соответствуют номинальным значениям.
Номинальные значения:
- Температура начала открытия клапана 82-84°C
- Температура полного открытия клапана 95°C
- Ход клапана при полном его открытии .... 8 мм
Примечание: измерьте расстояние от нижней плоскости клапана до корпуса термостата, когда он полностью закрыт, а затем полностью открыт, после чего вычислите ход клапана.

Установка термостата
1. Установите термостат (В) во впускной патрубок (А) системы охлаждения клапаном вверх.
Примечание: установите термостат так, чтобы воздушный клапан был расположен сверху.
Внимание:
- - Необходимо убедиться в полном отсутствии масла на резиновом уплотнительном кольце термостата.
- - Будьте осторожны, чтобы не перегнуть и не поцарапать кольцевое уплотнение при установке.

2. Установите новую прокладку и подводящий патрубок системы охлаждения.
Момент затяжки ....... 19-24 Нм
3. Установите нижний шланг радиатора (A).

Заполните систему охлаждения охлаждающей жидкостью.
4. Запустите двигатель и убедитесь в отсутствии утечек охлаждающей жидкости.
Снятие, проверка и установка насоса охлаждающей жидкости
Снятие
- 1. Слейте охлаждающую жидкость.
- 2. Снимите декоративный кожух двигателя.
- 3. Снимите ремень привода навесных агрегатов.
- 4. Снимите выпускной коллектор.
- 5. Отверните четыре болта и снимите шкив насоса охлаждающей жидкости.

5. Ослабьте и отверните болты крепления болты крепления насоса охлаждающей жидкости и снимите насос.
Проверка
- 1. Проверьте каждую деталь на отсутствие трещин, повреждения или износа. При необходимости замените насос охлаждающей жидкости в сборе.
- 2. Проверьте подшипник на отсутствие повреждения, повышенного шума при работе и медленного вращения, и замените насос охлаждающей жидкости в сборе при необходимости.
- 3. Проверьте насос на отсутствие утечек охлаждающей жидкости. Если имеются утечки охлаждающей жидкости, то узел сальника неисправен. Замените насос охлаждающей жидкости в сборе.
Установка
1. Установите насос охлаждающей жидкости вместе с новой прокладкой и затяните болты крепления насоса.
Моменты затяжки 20-26 Нм
2. Установите шкив насоса охлаждающей жидкости и заверните четыре болта крепления шкива.
Момент затяжки 10-12 Нм

- 3. Установите ремень привода навесных агрегатов и отрегулируйте его натяжение.
- 4. Заполните систему охлаждения охлаждающей жидкостью.
- 5. Запустите двигатель и убедитесь в отсутствии утечек охлаждающей жидкости.
- 6. Установите декоративный кожух двигателя.
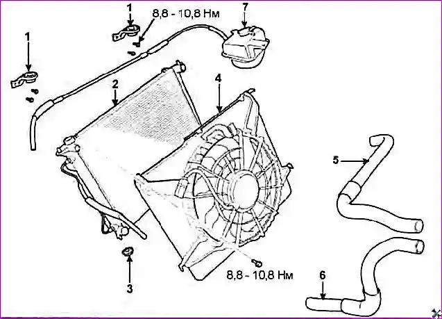
Снятие и проверка радиатора системы охлаждения
1. Снимите нижнюю часть защиты двигателя.

Момент затяжки 8-10 Нм
- 2. Слейте охлаждающую жидкость.
- 3. Отсоедините вентиляционный шланг (А), разъем электронного блока управления двигателем (В) и снимите корпус воздушного фильтра (С).

Момент затяжки 8-12 Нм
4. Снимите шланги радиатора (А).

Модели до 2009 г.

Модели с 2009 г.
5. Отсоедините разъем электродвигателя вентилятора (А) и снимите вентилятор (В).
Момент затяжки. 8-10 Нм

6. (Модели с АКПП) Отсоедините шланги (А) охладителя рабочей жидкости АКПП,

7. Отверните болты крепления и снимите верхние опоры радиатора (А).

Момент затяжки 8-10 Нм
8. Отсоедините шланг расширительного бачка (А) и (В) радиатора снимите с автомобиля.


9. Установка производится в порядке, обратном снятию.
Проверка радиатора
- 1. Проверьте радиатор на отсутствие посторонних предметов между пластинами.
- 2. Проверьте пластины радиатора на отсутствие изгиба или повреждения, при необходимости осторожно распрямите пластины.
- 3. Проверьте радиатор на отсутствие повреждений и отложений накипи, ржавчины или следов коррозии.
- 4. Проверьте шланги радиатора на отсутствие трещин, повреждений или ухудшения состояния (износ).
- 5. Проверьте расширительный бачок на отсутствие повреждений.
- 6. (Модели с АКПП) Проверьте шланги охладителя рабочей жидкости АКПП на отсутствие трещин, повреждений или ухудшения состояния (износ).
- 7. Проверьте пружину крышки радиатора на отсутствие повреждений.
- 8. Проверьте давление открытия клапанов крышки радиатора с помощью специального тестера для проверки системы охлаждения
- 9. Проверьте уплотнение крышки радиатора на отсутствие трещин или повреждений.