Двигатели GW4D20/GW4D20B могут быть оборудованы электронной системой впрыска топлива DELPHI, BOSCH, или XINFENG
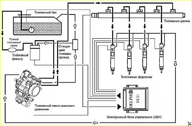
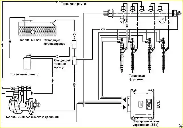
В дизельных двигателях с турбонаддувом GW4D20/GWD20B применяется система питания с высокого давления с топливной рампой. Она состоит из группы датчиков, электронного блока управления, исполнительных механизмов и жгутов проводов, соединяющих данные компоненты.
В системе используется ряд датчиков: положения коленчатого вала, детонации, температуры охлаждающей жидкости, давления наддува, давления в топливной рампе и массового расхода воздуха.
К исполнительным механизмам относятся контуры низкого и высокого давления.
Контур низкого давления состоит из топливного бака, топливопровода, топливного фильтра, топливного насоса и камеры низкого давления ТНВД.
Контур высокого давления состоит из топливной рампы, топливопроводов высокого давления, топливных форсунок и камеры высокого давления ТНВД.
Блок управления двигателя управляет процессом подачи топлива.

Компоновка систем впрыска DELPHI

Компоновка систем впрыска BOSCH

Компоновка систем впрыска XINFENG