В статье представлены схемы электрооборудования автомобиля. Схемы помогут автоэлектрику проверить цепь и элементы электрики автомобиля.
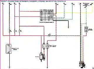
Схема 1. Аккумуляторная батарея, генератор, стартер, выключатель зажигания
Схема 2.1. Система управления двигателем 4G63/4G69 (начало)
Схема 2.2. Система управления двигателем 4G63/4G69 (окончание)
Схема 3.1. Система управления двигателем 4G20 (начало)
Схема 3.2. Система управления двигателем 4G20 (продолжение)
Схема 3.3. Система управления двигателем 4G20 (окончание)
Схема 4.1. Блок управления электрооборудованием, блокировка дверей, передний стеклоочиститель, наружное освещение (начало)
Схема 4.2. Блок управления электрооборудованием, блокировка дверей, передний стеклоочиститель, наружное освещение (продолжение)
Схема 4.3. Блок управления электрооборудованием, блокировка дверей, передний стеклоочиститель, наружное освещение (окончание)
Схема 5. Ближний и дальний свет фар
Схема 6. Электрокорректор фар
Схема 7. Электростеклоподъемники
Схема 8, 9, 10. Задний стеклоочиститель и стеклоомыватель, электропривод наружных зеркал, прикуриватель, звуковой сигнал
Схема 11. Щиток приборов, датчики
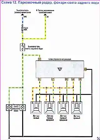
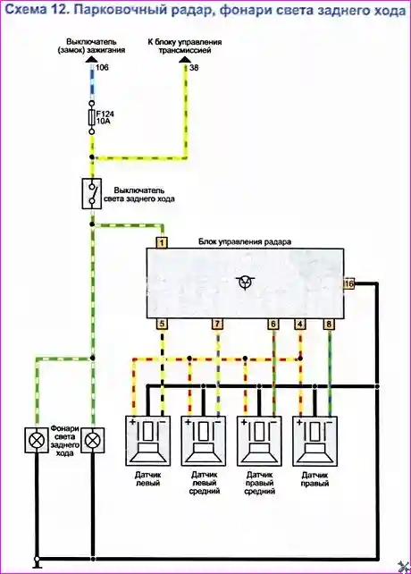
Схема 12. Парковочный радар. Фонари света заднего хода
Схема 13. Электрообогрев сидений, электропривод сидений, электропривод люка в крыше
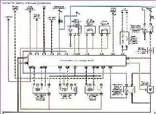
Схема 14. Климатическая установка
Схема 15. Аудиосистема
Схема 16. Антиблокировочная система тормозов (АБС)


















