Манжеты коленчатого вала заменяем при обнаружении подтекания масла или при капитальном ремонте двигателя
Снятие переднего сальника коленчатого вала
- 1. Отсоединить отрицательную клемму аккумуляторной батареи.
- 2. Повернуть натяжной шкив до тех пор, пока ослабится натяжение приводного ремня и затем снять приводной ремень.
- 3. Снять натяжной шкив приводного ремня.
- 4. Отвернуть крепежные болты снять промежуточные ролики приводного ремня.

Снять демпфирующий шкив коленчатого вала:

- - Отвернуть четыре болта с шестигранными головками (М8х20) крепления демпфирующего шкива коленчатого вала.
- - Снять демпфирующий шкив с коленчатого вала.
Снять кожухи ремня привода ГРМ:
- - Отвернуть шесть болтов с шестигранными головками (М6х16) крепления кожуха №1 ремня привода ГРМ, отвернуть шесть болтов с шестигранными головками (М6х16 и М10х50) крепления кожуха №2 ремня привода ГРМ, и отвернуть пять болтов с шестигранными головками (М10×35) крепления кожуха ремня привода ГРМ.
- Снять кожух ремня привода ГРМ, кожух №1 ремня привода ГРМ и кожух №2 ремня привода ГРМ с двигателя.

Ослабить натяжение ремня привода ГРМ, повернув натяжной ролик, и затем снять ремень привода ГРМ.
Снять зубчатое колесо коленчатого вала:
- - Отвернуть болты крепления зубчатого колеса коленчатого вала.
- - Снять зубчатое колесо коленчатого вала, и затем снять сегментную шпонку из переднего конца коленчатого вала.
Снять передний сальник коленчатого вала:
- - Снять передний сальник коленчатого вала при помощи специального съемника или отвертки и пластикового молотка.
Специальный съемник: 5-8840-2362-0.


Соблюдать осторожность, чтобы во время снятия переднего сальника не повредить коленчатый вал.
- - Проверить передний сальник коленчатого вала на предмет наличия следов повреждений или деформации. При необходимости заменить передний сальник.
Установка переднего сальника коленчатого вала
Установить передний сальник коленчатого вала:
- - Нанести тонкий слой чистого смазочного масла на кромку переднего сальника коленчатого вала. Смазочное масло: Mobil API CI-4.
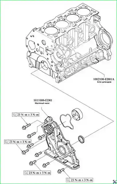
- - Запрессовать передний сальник коленчатого вала внутрь соответствующего отверстия масляного насоса при помощи специального приспособления.

Специальное 5-8840-2361-0. приспособление:
- - Убедиться, что передний сальник коленчатого вала установлен должным образом.
Установить зубчатое колесо коленчатого вала:
- - Установить сегментную шпонку в коленчатый вал, установить зубчатое колесо на коленчатый вал и зафиксировать его при помощи крепежного болта. Затянуть крепежный болт рекомендуемым моментом затяжки. Момент затяжки: 185-195 Нм.

- - Убедиться, что зубчатое колесо коленчатого вала установлено должным образом.
Установить ремень привода ГРМ:
- - Установить ремень привода ГРМ

- - Установить натяжной шкив ремня привода ГРМ. Для этого, зафиксировать ограничительный кронштейн натяжного шкива ремня привода ГРМ в месте, где в головке блока цилиндров установлена круглая заглушка. Повернуть натяжной шкив при помощи шестигранного торцового гаечного ключа таким образом, чтобы монтажный штифт совместился с пазом, и затем затянуть болт крепления натяжного шкива рекомендуемым моментом затяжки. Момент затяжки: 22-26 Нм.
Установить кожухи ремня привода ГРМ:
- - Совместить монтажные отверстия, чтобы установить кожух ремня привода ГРМ и зафиксировать его при помощи пяти болтов с шестигранными головками (М8х35 и М8х50). Затянуть крепежные болты рекомендуемым моментом затяжки. Момент затяжки: 45 Нм ± 3 Нм.

- - Установить уплотнения внутрь установочных пазов кожуха №1 и кожуха №2 соответственно.
- - Совместить монтажные отверстия, чтобы установить кожух ремня привода ГРМ №1 и кожух ремня привода ГРМ №2, и затем зафиксировать их при помощи десяти болтов с шестигранными головками (М6×16). Затянуть крепежные болты рекомендуемым моментом затяжки. Момент затяжки: 9 Нм ± 3 Нм.
Установить демпфирующий шкив коленчатого вала:
- - Установить пружинный штифт внутрь отверстия на зубчатом колесе коленчатого вала.
- - Совместить штифты, установить демпфирующий шкив на переднюю часть коленчатого вала и вкрутить четыре болта с шестигранной головкой (М8×20). Затянуть крепежные болты рекомендуемым моментом затяжки. Момент затяжки: 23 Нм ± 3 Нм.
Установить натяжной шкив приводного ремня на блок цилиндров двигателя и зафиксировать его при помощи крепежных болтов. Затянуть крепежные болты рекомендуемым моментом затяжки. Момент затяжки: 53 Нм-57 Нм.
Установить промежуточные ролики приводного ремня и зафиксировать их при помощи крепежных болтов. Затянуть крепежные болты рекомендуемым моментом затяжки. Момент затяжки: 22-26 Нм.
Установить приводной ремень.

Подсоединить отрицательную клемму аккумуляторной батареи:
Запустить двигатель и убедиться, что он работает должным образом.
Снятие заднего сальника коленчатого вала
Отсоединить отрицательную клемму аккумуляторной батареи.
Поднять и зафиксировать транспортное средство.
Снять коробку передач:
- - Отсоединить карданный вал от скобы.
- - Отсоединить электрический разъем датчика частоты вращения.
- - Отвернуть болты крепления коробки передач к сцеплению, и снять коробку передач.

Снять сцепление в сборе:
- - Нанести метки на фланцы маховика и нажимного диска сцепления, чтобы облегчить их дальнейшую установку.

- - Ослабить крепежные болты и снять корзину сцепления при помощи специального центрирующего приспособления (5-5821-3001-0), как показано на рисунке.
Снять маховик:
- - Установить приспособление для фиксации маховика.
- - Отвернуть восемь крепежных болтов и снять маховик.


Снять задний сальник коленчатого вала:
- - Прижать задний сальник коленчатого вала и одновременно установить специальный инструмент так, как показано на рисунке.
Специальный инструмент: 5-8840-2360-0.

- - Снять задний сальник коленчатого вала при помощи специального приспособления.
Соблюдать осторожность, чтобы во время снятия заднего сальника не повредить коленчатый вал и блок цилиндров двигателя.
Установка заднего сальника коленчатого вала
Установить задний сальник коленчатого вала:
- - Установить задний сальник коленчатого вала в блок цилиндров двигателя при помощи специального приспособления, как показано на рисунке.
Специальное приспособление: 5-8840-2539-0.

- - Удалить стружку с поверхности заднего сальника коленчатого вала.
Соблюдать осторожность, чтобы не перепутать установочное направление заднего сальника коленчатого вала.
- - Установить соединительную муфту специального инструмента на заднюю часть коленчатого вала и зафиксировать ее при помощи двух крепежных болтов.
- - Установить сальник на цилиндрическую поверхность соединительной муфты.
- - Вставить насадку внутрь соединительной муфты, и затянуть болт (M12×1,75, L=70) до тех пор, пока торцевая поверхность соединительной муфты войдет в контакт с насадкой. 6) Снять соединительную муфту и насадку.
Примечание: Убедиться в том, что задний сальник коленчатого вала установлен должным образом.
Установить маховик:
- - Совместить отверстия и установить маховик на коленчатый вал.
- - Вкрутить и затянуть рекомендуемым моментом затяжки восемь болтов крепления маховика в порядке, указанном на рисунке. Момент затяжки: 75 Нм ± 5 Нм.

Установить сцепление в сборе:
- - Нанести молибденовую смазку на шлицы ведомого диска сцепления.
- - Установить ведомый диск сцепления при помощи специального центрирующего приспособления (5-5825-3001-0).
- - Установить нажимной диск сцепления и зафиксировать его при помощи девяти крепежных болтов. Затянуть крепежные болты рекомендуемым моментом затяжки в порядке, указанном на рисунке. Момент затяжки: 23 Нм ± 3 Нм.

- - Снять центрирующее приспособление.
Если устанавливается новый нажимной диск сцепления, то после затяжки крепежных болтов рекомендуемым моментом затяжки, необходимо снять проволоку защиты диафрагменной пружины.
Установить коробку передач в сборе:
- - Установить два центрирующих штифта внутрь блока цилиндров двигателя.
- - Установить коробку передач в сборе. Вкрутить болты крепления коробки передач к сцеплению и затянуть их рекомендуемым моментом затяжки.
- - Подсоединить карданный вал.
Подсоединить отрицательную клемму аккумуляторной батареи.
Запустить двигатель и убедиться, что он работает должным образом.