Ескерту. Клапан саңылауларын тексеру және реттеу цилиндр басы орнатылған суық қозғалтқышта (салқындатқыш сұйықтық температурасы 20°C болғанда) орындалады.
1. Сәндік қақпақты және цилиндр басының қақпағын алу

- Бекіту болттарын босатып, сәндік қозғалтқыш қақпағын (A) алыңыз.
- Цилиндр басының қақпағын алыңыз:
- Тұтану катушкасының қосқыштарын (A) ажыратыңыз, содан кейін сәйкес бекіту болттарын бұрап, катушкаларды алыңыз;


- Оң картер желдеткіш түтігін (A) цилиндр басының қақпағынан ажыратыңыз;

- Цилиндр басының қақпағын бекіту болттарын босатыңыз, содан кейін қақпақты (A) және тығыздағышты алыңыз.
2. №1 цилиндр поршенін қысу жүрісінде TDC күйіне орнату

- Иінді біліктің шкивін сағат тілімен бұрап, оның ойығын уақыт тізбегінің қақпағындағы "T" уақыт белгісімен туралаңыз.
- Шығару таратқыш білігінің жұлдызшасындағы және уақыт тізбегінің муфтасындағы TDC белгілерінің (A) екеніне көз жеткізіңіз. Сору таратқыш білігіндегі айнымалы клапан уақыты (CVVT) клапан уақыты бір-бірімен тураланған (цилиндр басының жоғарғы жазықтығымен тураланған). Егер тураланбаған болса, иінді білікті бір айналым (360°) айналдырыңыз.

3. Клапан саңылауларын тексеру
- Суретте белгіленген клапандар үшін ғана саңылауларды тексеріңіз (1-цилиндр поршені TDC кезінде):
- 1 және 2-цилиндрлердің кіріс клапандары;
- 1 және 3-цилиндрлердің шығару клапандары.
Саңылауларды өлшеу үшін:
- Сенсорлық өлшеуішті пайдаланыңыз;
- Клапан көтергіші мен камералық бөліктің артқы (жұмыс істемейтін) бөлігінің беті арасындағы саңылауды өлшеңіз.
- 20°C салқындатқыш температурасындағы номиналды саңылаулар:
- Кіріс клапандары: 0,10–0,30 мм;
- Шығару клапандары: 0,20–0,40 мм.

Егер саңылау қолайлы мәндерге сәйкес келмесе, өлшеу нәтижелерін жазып алыңыз. Бұл ақпарат жаңа клапан көтергішін таңдау үшін қажет болады.
- Иінді біліктің шкивін бір айналымға (360°) айналдырып, ондағы ойықты тұтану уақытының индикаторындағы "T" уақыт белгісімен туралаңыз (уақыт тізбегінің қақпағындағы шкала).
- Суреттегі клапандар үшін ғана саңылауларды тексеріңіз (№4 цилиндрдің поршені TDC кезінде):
- №3 және №4 цилиндрлердің қабылдау клапандары;
- №2 және №4 цилиндрлердің шығару клапандары.

3.1-тармақтағыдай саңылауларды өлшеңіз.
4. Кіру және шығару клапандарының саңылауларын реттеу

- №1 цилиндрдің поршенін қысу жүрісі бойынша TDC күйіне орнатыңыз.
- Шығару таратқыш білігінің жұлдызшасындағы және кіретін таратқыш білігінің CVVT муфтасындағы TDC белгілері цилиндр басының жоғарғы бетімен тураланғанына көз жеткізіңіз.
- Уақыт тізбегінің қақпағындағы болтқа қызмет көрсету тесігін алыңыз.
Абай болыңыз! Болтты қайта пайдаланбаңыз - оны жаңасымен ауыстырыңыз. бір.

- Тізбекті кергіш поршеньді бекіту үшін уақыт тізбегінің қақпағындағы қызмет көрсету тесігіне жұқа шыбық (штырь) салыңыз.
- Шығару тарауыш білікті кілтпен бекітіп, болт жұлдызшасының бекіткіштерін босатыңыз.
- Болттарды алып тастаңыз және тарауыш біліктің мойынтірек қақпағын (A) алып тастаңыз.


- Болттарды босатып, таратушы біліктің мойынтірек қақпақтарын (A) суретте көрсетілген ретпен алыңыз.
- 4.6 бөлімінде көрсетілген ретпен қабылдау таратушы біліктің мойынтірек қақпақтарын босатып, алыңыз.
- Таратушы білікті жұлдызшалардан ажыратқан кезде уақыт тізбегінің құлап кетуіне жол бермей, оларды алыңыз.
- Уақыт тізбегін арқанмен бекітіңіз.
Ескертпе: Уақыт тізбегінің қақпағының артына бөгде заттардың түсуіне жол бермеңіз. - Микрометрді пайдаланып, алынған клапанның қалыңдығын өлшеңіз.

- Номиналды саңылауды қамтамасыз ету үшін жаңа клапанның қалыңдығын есептеңіз:
- кіру клапаны үшін: N=T+[A−0.20]мм;
- шығару клапаны үшін: N=T+[A−0.25]мм,
мұндағы:
T — алынған клапанның қалыңдығы;
A — өлшенген клапан саңылауы;
N — жаңа клапанның қалыңдығы.
- Есептелген қалыңдыққа мүмкіндігінше жақын жаңа клапан клапанын таңдаңыз.
Ескерту: 3,00 мм-ден бастап 0,015 мм қадаммен 41 клапан өлшемі қолжетімді. 3,60 мм дейін. - Алдымен аз мөлшерде қозғалтқыш майын жаға отырып, таңдалған клапан клапанын орнатыңыз.
- Уақыт тізбегін ұстап тұрып, кіріс білігін цилиндр басына қойыңыз.
- Уақыт тізбегін кіріс білігіне орнатыңыз.

- Шығару білігінің кіріс білігін орнатыңыз, тізбек пен кіріс білігінің салыстырмалы орнын көрсететін белгілерді (A) туралаңыз. жұлдызша.
- Таратушы біліктің мойынтірек қақпақтарын суретте көрсетілген ретпен көрсетілген айналу моментіне дейін орнатыңыз және қатайтыңыз (бірнеше қадаммен):
- M6 болты: 11–13 Н⋅м;
- M8 болты: 28–31 Н⋅м.

- Уақыт тізбегі қақпағындағы қызмет көрсету тесігінен жұқа шыбықты (түйреуішті) алып тастаңыз (қадам бойынша орнатылған) 4.4), содан кейін жаңа қызмет көрсету тесігінің болтын орнатыңыз. Қатайту моменті: 12–15 Н⋅м.
5. Клапан саңылауларын қайта тексеру
- Иінді біліктің шкивін сағат тілімен екі айналымға бұраңыз.
- Тексеру:
- тізбек пен таратушы біліктің жұлдызшаларының салыстырмалы орналасу белгілерінің туралануы;
- иінді біліктің шкивіндегі ойықтың тұтану уақытының индикаторындағы "O" уақыт белгісімен (уақыт тізбегінің қақпағындағы шкала) туралануы.
- Реттеуден кейін клапан саңылауларын қайта тексеріңіз.
Реттеуден кейінгі номиналды саңылаулар (салқындатқыш сұйықтық температурасы 20°C болғанда):- қабылдағыш клапандар: 0,17–0,23 мм;
- шығару клапандары: 0,27–0,33 мм.
6. Цилиндр басының қақпағын орнату
- Уақыт тізбегі қақпағы мен цилиндр басының қақпағының түйіспе беттерінен қалған ескі тығыздағыш пен герметикті алып тастаңыз.
- Жаңа тығыздағышты цилиндр басының қақпағының ойығына орнатыңыз.
- Герметикті қолданар алдында бетін майсыздандырыңыз.
- Уақыт тізбегі қақпағының түйіспе бетіне диаметрі 2,0–2,5 мм үздіксіз моншақ түрінде Loctite 5900 герметикін жағыңыз (суретті қараңыз).
Ескертпе: Тығыздағышты қолданар алдында түйіспе беттерінің құрғақ және таза екеніне көз жеткізіңіз.

Абай болыңыз:
- Герметикті жаққаннан кейін 5 минут ішінде цилиндр басының қақпағын орнатып, бекітіңіз;
- Қозғалтқыш майын қоспас бұрын кемінде 30 минут күтіңіз.
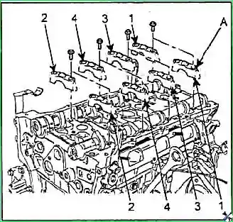
- Цилиндр басының қақпағын жаңа тығыздағышпен орнатып, болттарды суретте көрсетілген ретпен екі өту арқылы көрсетілген моментке дейін қатайтыңыз:
- 1-ші өту: 4–6 Н⋅м;
- 2-ші өту: 8–10 Н⋅м.

7. Аяқтау операциялары
- Оң картердің желдету шлангісін цилиндр басының қақпағына қосыңыз.
- Тұтану катушкаларын орнатыңыз, сәйкес бекіту болттарын көрсетілген моментке дейін қатайтыңыз және қосқыштарды қосыңыз. Қатайту моменті: 10–12 Н⋅м.
- Қозғалтқыш қақпағын орнатыңыз. Қатайту моменті: 8–12 Н⋅м.