El vehículo utiliza equipos eléctricos de CC con una tensión nominal de 12 V.
El equipo eléctrico del vehículo utiliza un diseño de un solo cable: los terminales negativos de las fuentes de alimentación y los consumidores están conectados a tierra, que funciona como un segundo cable. La carrocería del vehículo, a su vez, actúa como "tierra".
La energía se suministra a los consumidores desde la batería (cuando el motor no está en marcha) y el generador (cuando el motor está en marcha).
Una característica distintiva del sistema eléctrico es la conexión de varios componentes (lavaparabrisas, luces interiores, cerraduras de puertas, etc.) a través de una unidad de control electrónico para el sistema eléctrico interior y la alarma antirrobo.
La unidad electrónica permite retrasar el encendido y apagado de los dispositivos eléctricos y modificar el tiempo de pausa según el algoritmo de control seleccionado.
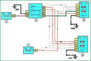
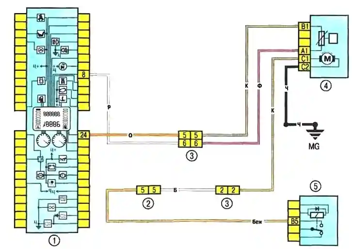
Diagrama 1. Circuito de carga de la batería
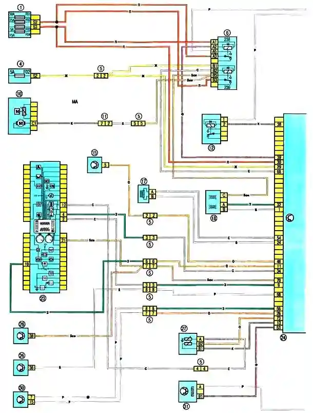
Diagrama 2. Bomba de combustible y sensor de nivel de combustible
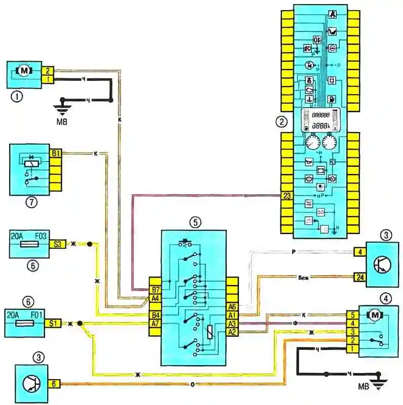
Diagramas 3 y 4 del sistema de gestión del motor: 1 - Caja de fusibles 5978 en el compartimento del motor (véanse las figuras 10.2a y 10.2b); 2 - Caja de relés 784 en el compartimento del motor, relé 700; 3 - Inyector del primer cilindro; 4 - Caja de fusibles en el compartimento de pasajeros (véase la figura 10.1); 5 - Conector del cableado del compartimento del motor/compartimento de pasajeros (monobloque); 6 - Caja de relés 1047 en el compartimento del motor, relés 236 y 238; 7 - Caja de relés 784 en el compartimento del motor, relé 474; 8 - Sensor de presión de refrigerante (vehículos con aire acondicionado); 9 - Inyector para el cilindro 2; 10 - Bomba de combustible y sensor de nivel de combustible; 11 - Conector del cableado del panel de instrumentos/carrocería trasera izquierda; 12 - Caja de relés en el compartimiento del motor, relé 234; 13 - Sensor de posición del acelerador; 14 - Inyector para el cilindro 3; 15 - Panel de control del aire acondicionado; 16 - Sensor de detonación; 17 - Sensor de posición del cigüeñal; 18 - Módulo de encendido; 19 - Sensor de temperatura del aire; 20 - Inyector para el cilindro 4; 21 - Absorbedor evaporativo; 22 - Motor paso a paso de control del aire de ralentí; 23 - Panel de instrumentos; 24 - ECU; 25 - Sensor de diagnóstico de concentración de oxígeno; 26 - Caja de conexiones del compartimiento de pasajeros; 27 - Sensor de temperatura del refrigerante; 28 - Interruptor de presión de la dirección asistida; 29 - Sensor de oxígeno del sistema de gestión del motor; 30 - Conector de diagnóstico; 31 - Sensor de velocidad; 32 - Sensor de presión absoluta en el colector de admisión.
Diagramas 3 y 4. Diagramas del sistema de gestión del motor
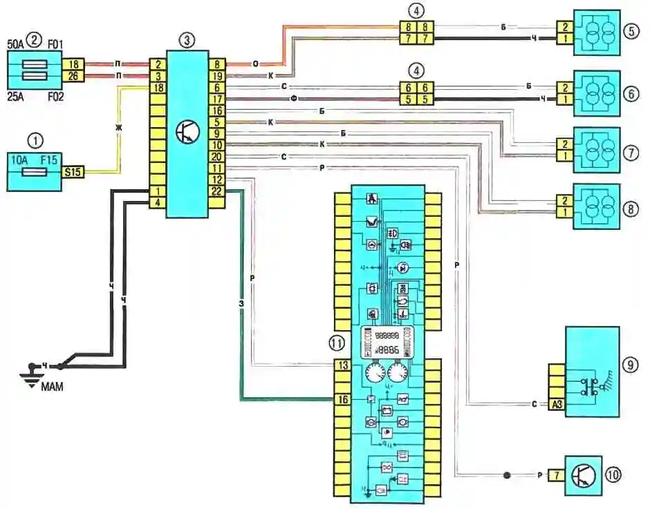
Diagrama 5. Sistema de arranque del motor: 1 - Batería; 2 - Motor de arranque; 3 - Conector del cableado del compartimento del motor/compartimento de pasajeros (monobloque); 4 – Interruptor de encendido
Diagrama 5. Sistema de arranque del motor
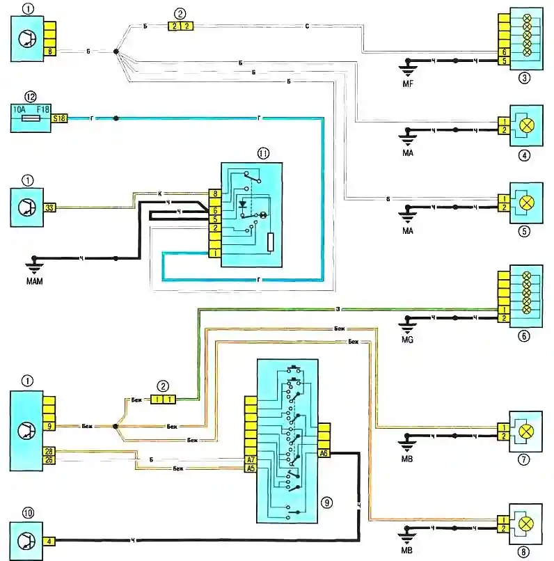
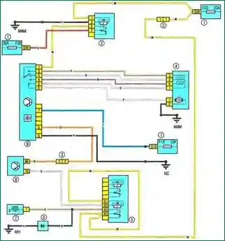
Diagrama 6. Intermitentes y Luces de emergencia: 1 - Caja de conexiones del habitáculo; 2 - Conector del cableado del panel de instrumentos/parte trasera izquierda de la carrocería; 3 - Piloto trasero derecho; 4 - Intermitente delantero derecho; 5 - Repetidor de intermitentes derecho; 6 - Piloto trasero izquierdo; 7 - Intermitente delantero izquierdo; 8 - Repetidor de intermitentes izquierdo; 9 - Palanca del interruptor de iluminación exterior e intermitentes con botón de bocina; 10 - Conector de diagnóstico; 11 - Interruptor de luces de emergencia; 12 - Caja de fusibles del habitáculo.
Diagrama 6. Luces intermitentes y de emergencia
Diagnóstico de averías del equipo eléctrico de a bordo
Un circuito eléctrico típico puede incluir un componente eléctrico principal, varios interruptores, relés, motores eléctricos, fusibles, enlaces fusibles o disyuntores asociados a ese componente, cableado y conectores utilizados para conectar el componente principal a la batería y a la masa de la carrocería.
Antes de solucionar cualquier problema en un circuito eléctrico, estudie detenidamente el diagrama correspondiente para comprender su funcionamiento con la mayor claridad posible.
El área de solución de problemas suele reducirse identificando y eliminando gradualmente los componentes que funcionan normalmente del mismo circuito.
Si varios componentes fallan simultáneamente, o La causa más probable de fallo en los circuitos es un fusible fundido o una conexión a masa rota (diferentes circuitos a menudo pueden tener un cortocircuito con el mismo fusible o terminal de masa).
Las averías en los equipos eléctricos suelen explicarse por causas simples, como Como corrosión de los contactos del conector, un fusible fundido, un fusible fundido o un relé dañado.
Inspeccione visualmente el estado de todos los fusibles, el cableado y los conectores del circuito antes de realizar una revisión más detallada de los componentes del circuito.
Si utiliza herramientas de diagnóstico para solucionar una falla, planifique cuidadosamente (de acuerdo con los diagramas eléctricos adjuntos) qué puntos del circuito y en qué secuencia debe conectarse la herramienta para garantizar la detección más eficaz de la falla.
Las herramientas de diagnóstico básicas incluyen un comprobador de circuitos eléctricos o un voltímetro (también se puede usar una lámpara de prueba de 12 voltios con un juego de cables de conexión), un indicador de circuito abierto (sonda de prueba) que enciende una lámpara, su propia fuente de alimentación y un juego de cables de conexión.
Además, siempre debe tener un juego de cables puente en su automóvil para arrancar desde una fuente externa (la batería de otro automóvil), equipados con pinzas de cocodrilo y, preferiblemente, un disyuntor.
Estos se pueden usar Para derivar y conectar diversos componentes eléctricos al diagnosticar un circuito. Como ya se mencionó, antes de probar el circuito con el equipo de diagnóstico, determine la ubicación de sus conexiones utilizando los diagramas.
Diagrama 7. Luz de estacionamiento: 1 - Caja de fusibles del habitáculo; 2 - Conector del cableado del cuadro de instrumentos/parte trasera izquierda de la carrocería; 3 - Luz de estacionamiento del faro delantero izquierdo; 4 - Luz trasera izquierda; 5 - Luz de matrícula; 6 - Luz de posición delantera derecha; 7 - Luz trasera derecha; 8 — Palanca de conmutación de la iluminación exterior y los intermitentes con botón de la bocina; 9 — Caja de fusibles de 597 A en el compartimento del motor.
Diagrama 8. Luz de carretera
Diagrama 9. Luneta térmica trasera: 1 – Caja de fusibles en el habitáculo; 2 – Cuadro de instrumentos; 3 – Calefacción de luneta trasera; 4 – Conector del cableado del panel de instrumentos/parte trasera izquierda de la carrocería; 5 — Interruptor de la calefacción de la luneta trasera
Diagrama 9. Calefacción de luneta trasera
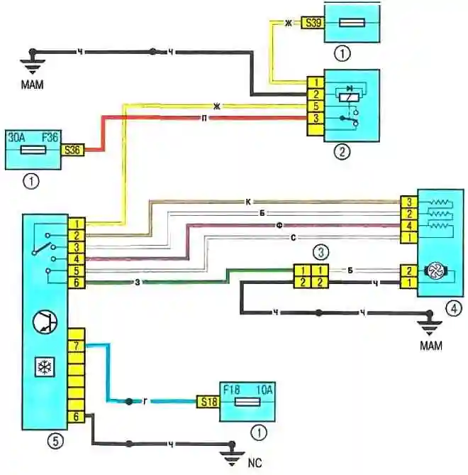
Diagrama 10. Ventilador eléctrico del sistema de calefacción y ventilación: 1 — Caja de fusibles del habitáculo; 2 — Relé 233; 3 — conector del cableado del ventilador eléctrico del sistema de refrigeración/panel de instrumentos; 4 – ventilador eléctrico del sistema de calefacción y ventilación; 5 — Unidad de control del sistema de calefacción y ventilación del habitáculo
Diagrama 10. Ventilador eléctrico del sistema de calefacción y ventilación del habitáculo
Diagrama 11. Faros antiniebla delanteros: 1 — Cuadro de instrumentos; 2 — Palanca del interruptor de la iluminación exterior y los intermitentes con el botón de los intermitentes; 3 – Caja de fusibles en el habitáculo; 4 – Caja de relés 299 en el compartimento del motor; 5 – Conector del cableado del panel de instrumentos/faros antiniebla; 6 – Faro antiniebla izquierdo; 7 – Faro antiniebla derecho
Diagrama 11. Faros antiniebla delanteros
Diagrama 12. Espejos eléctricos: 1 – Caja de fusibles en el habitáculo; 2 – Unidad de control del retrovisor exterior; 3 – Accionamiento eléctrico del retrovisor exterior izquierdo con calefacción eléctrica; 4 - Accionamiento eléctrico del retrovisor exterior derecho con calefacción
Diagrama 12. Accionamiento eléctrico de los retrovisores
Diagrama 13. Luz de cruce: 1 - Caja de fusibles de 597 A en el compartimento del motor; 2 - Palanca de los interruptores de la iluminación exterior y los intermitentes; 3 – Caja de fusibles del habitáculo; 4 – Faro delantero derecho; 5 – Faro delantero izquierdo; 6 – Cuadro de instrumentos.
Diagrama 13. Luz de cruce
Se realizan comprobaciones de tensión si hay una falla en el circuito eléctrico.
Conecte un cable del comprobador de circuitos eléctricos al terminal negativo de la batería o asegúrese de que haya buen contacto con la carrocería.
Conecte el otro cable del comprobador al terminal del conector del circuito que se está comprobando, preferiblemente el más cercano a la batería o al fusible.
Si se enciende la luz indicadora del comprobador, significa que hay tensión en esa sección del circuito, lo que confirma la integridad del circuito entre ese punto y la batería.
Proceda de la misma manera para comprobar el resto del circuito. Detectar una falla en la tensión de la fuente de alimentación indica una falla entre este punto del circuito y el último punto probado previamente (donde había corriente). En la mayoría de los casos, la causa de la falla son conectores sueltos y daños en los contactos (oxidación). Encontrar el cortocircuito. Un método para localizar un cortocircuito es retirar el fusible y reemplazarlo con una lámpara de prueba o un voltímetro. No debe haber tensión en el circuito. Tirar del cableado mientras se observa la lámpara de prueba. Si la luz empieza a parpadear, hay un cortocircuito a masa en algún lugar del mazo de cables, posiblemente causado por el desgaste del aislamiento del cable.
Se puede realizar una comprobación similar para cada componente del circuito eléctrico activando los interruptores correspondientes.
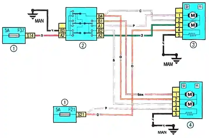
Diagrama 14. Elevalunas eléctricos de las puertas delanteras: 1 – Interruptor del elevalunas eléctrico de la puerta del acompañante; 2 – Motor del elevalunas ka puerta del acompañante; 3 - motor eléctrico de la ventanilla de la puerta del conductor; 4 - caja de fusibles en el habitáculo; 5 — Interruptor de impulsos del elevalunas eléctrico de la puerta del conductor
Diagrama 14. Elevalunas eléctrico de la puerta delantera
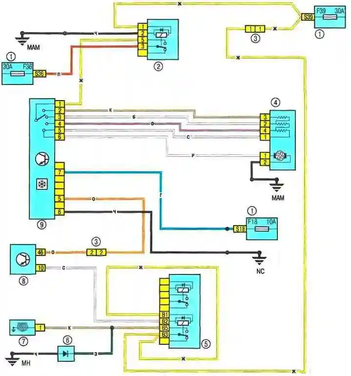
Diagrama 15. Ventilador eléctrico del sistema de calefacción (aire acondicionado) y ventilación: 1 — Caja de fusibles del habitáculo; 2 — Relé 233; 3 – Conector del cableado del compartimento del motor/compartimento de pasajeros (monobloque); 4 – Ventilador eléctrico del sistema de calefacción y ventilación; 5 – Caja de relés 784 en el compartimiento del motor; 6 – Diodo del aire acondicionado y de la dirección asistida; 7 – Embrague electromagnético del compresor del aire acondicionado; 8 – ECU; 9 — Unidad de control del sistema de calefacción y ventilación del habitáculo
Diagrama 15. Ventilador eléctrico del sistema de calefacción (aire acondicionado) y ventilación del habitáculo
Diagrama 16. Bocina
Diagrama 17. Cierre centralizado: 1 - Caja de conexiones del habitáculo; 2 - Conector del cableado del panel de instrumentos/parte trasera izquierda de la carrocería; 3 - Accionamiento eléctrico de la cerradura de la puerta trasera derecha; 4 - Accionamiento eléctrico de la cerradura de la puerta trasera izquierda; 5 – Accionamiento eléctrico de la cerradura de la puerta delantera derecha; 6 – Accionamiento eléctrico de la cerradura de la puerta del conductor; 7 – Interruptor del sistema de cierre centralizado; 8 — Caja de fusibles del habitáculo
Diagrama 17. Sistema de cierre centralizado
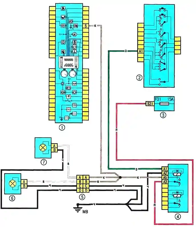
Diagrama 18. Sistema de control ABS: 1 — Caja de fusibles del habitáculo; 2 - caja de fusibles 597C en el compartimento del motor; 3 - Unidad de control ABS; 4 - Conector del cableado del cuadro de instrumentos/trasero izquierdo; 5 - Sensor de velocidad de la rueda trasera derecha; 6 - Sensor de velocidad de la rueda trasera izquierda; 7 - Sensor de velocidad de la rueda delantera izquierda; 8 - Sensor de velocidad de la rueda delantera derecha; 9 - Interruptor de luz de freno; 10 - Conector de diagnóstico; 11 – Panel de instrumentos
Diagrama 18. Sistema de control del ABS
Comprobación de la conexión a tierra
Desconecte la batería y conecte uno de los cables de la luz de prueba con una lámpara de prueba a batería a una conexión a tierra que sepa que funciona correctamente.
Conecte el otro cable de la luz de prueba al mazo de cables o al terminal del conector que se está probando.
Si la luz se enciende, la conexión a tierra es correcta (y viceversa).
La prueba de continuidad se realiza para detectar circuitos abiertos.
Después de desconectar la alimentación del circuito, pruébelo con una lámpara de prueba a batería.
Conecte los cables de la luz de prueba a ambos extremos del circuito. Si la lámpara de prueba se enciende, no hay circuito abierto.
Si la lámpara no se enciende, esto indica un circuito abierto.
De manera similar, puede verificar el interruptor conectando un cable de prueba a sus contactos.
Cuando el interruptor esté en la posición "ON", la lámpara de prueba debería encenderse.
Localización del circuito abierto
Al diagnosticar un supuesto circuito abierto en un circuito eléctrico, identificar visualmente la causa del mal funcionamiento puede ser bastante difícil, ya que puede ser difícil inspeccionar visualmente los terminales para detectar corrosión o daños en sus contactos debido al acceso limitado (los terminales suelen estar cubiertos por la carcasa del conector).
Un tirón brusco de la carcasa del conector del mazo de cables en el sensor o del propio mazo de cables suele restablecer el contacto.
No apto para Tenga esto en cuenta al intentar aislar la causa de una falla en el circuito que se sospecha que está abierto.
Las fallas intermitentes pueden deberse a la oxidación de los terminales o a una mala calidad del contacto.
Diagrama 19. Limpiaparabrisas y lavaparabrisas, lavafaros: 1 – bomba lavaparabrisas; 2 - cuadro de instrumentos; 3 - unidad de interruptores del habitáculo; 4 - motor del limpiaparabrisas; 5 - Palanca de interruptores del limpiaparabrisas y lavaparabrisas con botón de modo de visualización del ordenador de a bordo; 6 - Caja de fusibles del habitáculo; 7 - Caja de relés 299 en el compartimento del motor, relé 753
Diagrama 19. Limpiaparabrisas y lavaparabrisas, lavafaros
Diagrama 20. Luz interior del coche: 1 - Unidad de interruptores del habitáculo; 2 – Conector de cableado del panel de instrumentos/parte trasera izquierda de la carrocería; 3 – Luz interior; 4 – Interruptor de límite de la puerta del conductor; 5 – Interruptor de límite de la puerta delantera derecha; 6 – Interruptor de límite de la puerta trasera derecha; 7 — Interruptor de límite de la puerta trasera izquierda
Diagrama 20. Luz interior.
Diagrama 21. Conexión de los altavoces del sistema acústico: 1 — Radio; 2 — Conector del cableado del compartimento del motor/interior (monobloque); 3 — Caja de fusibles en la cabina; 4 – Encendedor; 5 – Sensor de velocidad del vehículo; 6 – Altavoz delantero derecho; 7 – Altavoz trasero derecho; 8 – Altavoz trasero izquierdo; 9 – Altavoz delantero izquierdo; 10 – Conector del cableado del panel de instrumentos/parte trasera izquierda de la carrocería.
Diagrama 21. Conexión de los altavoces del sistema de sonido.
Diagrama 22. Luz antiniebla trasera: 1 – Caja de fusibles de 597 A en el compartimento del motor; 2 – Palanca del interruptor de iluminación exterior e intermitentes con botón de bocina; 3 – Caja de fusibles interior; 4 – Luz trasera izquierda.
Diagrama 22. Luz antiniebla trasera.
