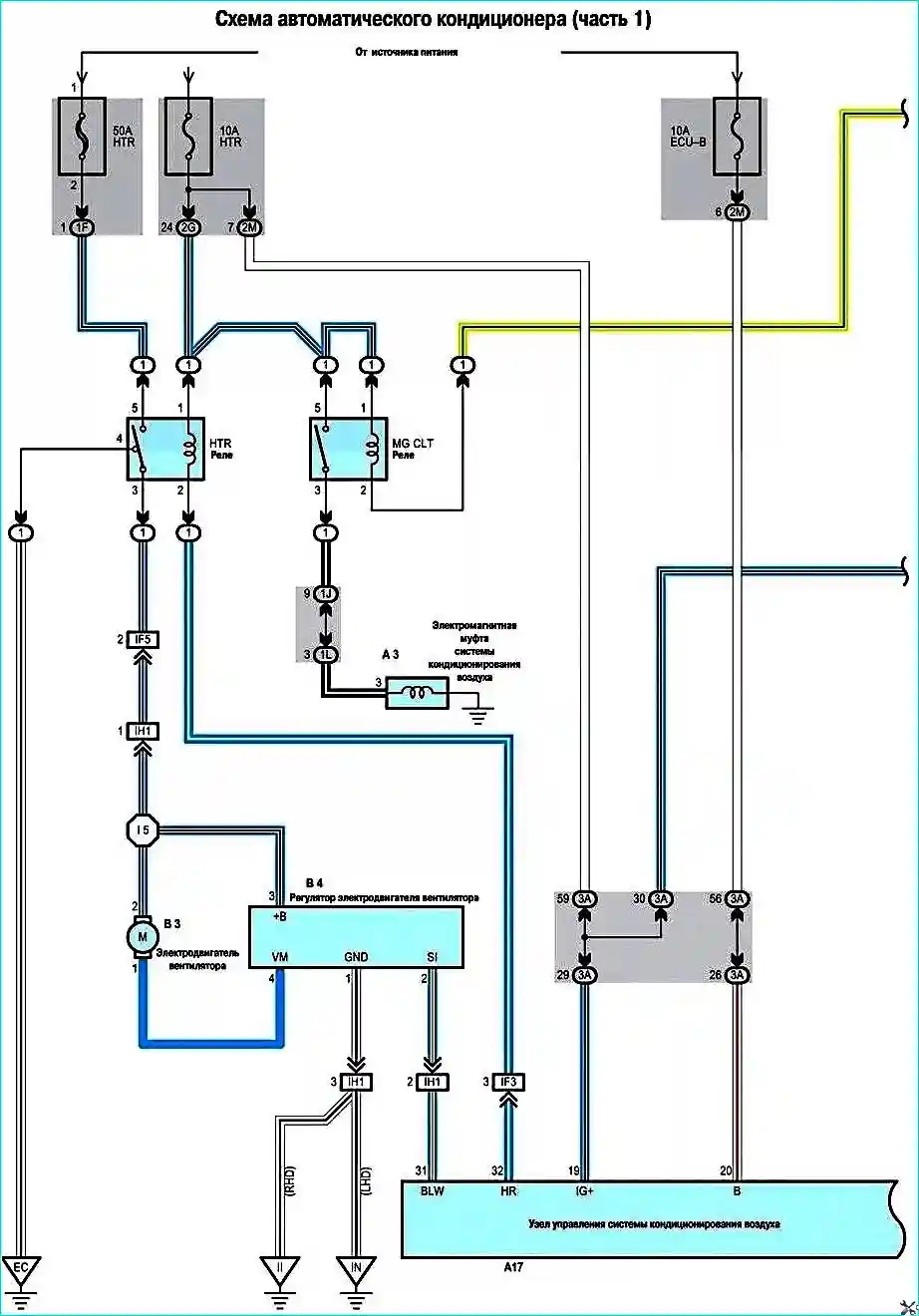
Автомобили Camry оборудованы системой кондиционирования воздуха с автоматическим управлением
В системе кондиционирования используется полнопоточный алюминиевый радиатор отопителя с прямолинейной циркуляцией.
Эффективность теплообмена повышена за счет использования дополнительного испарителя
Часть 1
Часть 2
Часть 3
Схема разбита по частям.
Картинку можно увеличить кликнув по ней или открыв в новом окне браузера



