Промежуточная пластина
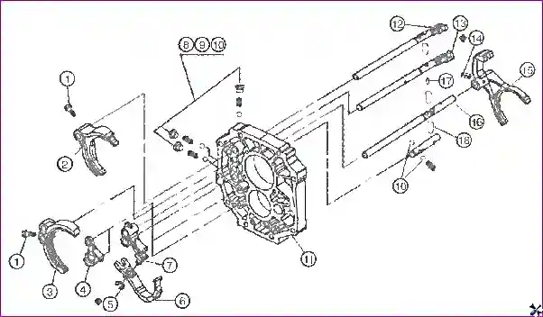
Общий вид

Разборка промежуточной пластины
Примечание:
Операции по разборке промежуточной пластины описаны в начале статьи «Снятие компонентов переключения передач».
Сборка промежуточной пластины
1. Зафиксировать промежуточную пластину в тисках.

2. Установить выходной вал на промежуточную пластину.

3. Установить стопорное кольцо выходного вала.

4. Установить втулку на выходной вал.

5. Установить задний подшипник выходного вала.

6. Подобрать стопорное кольцо выходного вала.
Примечание:
Подобрать стопорное кольцо выходного вала, чтобы осевой зазор составлял менее 0,1 мм.

7. Установить стопорное кольцо выходного вала при помощи отвертки, как показано на рисунке.

- 8. Установить входной вал.
- 1) Установить входной вал на выходной вал, вращая входной вал.
- 2) Убедиться, что паз кольца синхронизатора совмещен со шпонкой синхронизатора.

9. Установить промежуточный вал в промежуточную пластину коробки передач.

10. Установить задний подшипник промежуточного вала коробки передач.
Примечание:
Стопорное кольцо вмонтировано внутрь заднего подшипника промежуточного вала коробки передач.

11. Установить промежуточную шестерню передачи заднего хода и вал промежуточной шестерни передачи заднего хода на промежуточную пластину коробки передач.
Примечание:
Сторона с пазом промежуточной шестерни передачи заднего хода должна быть направлена назад.

12. Установить перегородку заднего подшипника выходного вала и зафиксировать ее при помощи крепежных болтов. Затянуть крепежные болты рекомендуемым моментом затяжки при помощи динамометрического ключа. Момент затяжки: 12,6-23,4 Нм.

- 13. Установить упорную шайбу шестерни пятой передачи.
- 1) Установить штифт в отверстие под штифт промежуточного вала коробки передач.
- 2) Установить упорную шайбу шестерни пятой передачи.
Примечание:
Соблюдать осторожность, чтобы не перепутать установочное направление упорной шайбы.

- 14. Установить шестерню пятой передачи промежуточного вала коробки передач.
- 1) Установить муфту синхронизатора третьей передачи.
- 2) Установить шпонку синхронизатора третьей передачи, расширительное кольцо синхронизатора, пружину синхронизатора и стопорное кольцо промежуточного вала.

3) Установить игольчатый подшипник шестерни пятой передачи промежуточного вала, шестерню пятой передачи промежуточного вала и зубчатый венец синхронизатора пятой передачи.

15. Ввести в зацепление шестерню пятой передачи.

16. Измерить осевой зазор шестерни пятой передачи при помощи плоского щупа, как показано на рисунке. Стандартное значение: 0,225 мм.

17. Подобрать стопорное кольцо промежуточного вала.
Примечание:
Подобрать стопорное кольцо промежуточного вала, чтобы осевой зазор составлял менее 0,1 мм.

18. Установить стопорное кольцо промежуточного вала при помощи отвертки, как показано на рисунке.

19. Установить кронштейн качающегося рычага включения передачи заднего хода и зафиксировать его при помощи крепежных болтов. Затянуть крепежные болты рекомендуемым моментом затяжки при помощи динамометрического ключа.
Момент затяжки: 12,6-23,4 Нм.

20. Подсоединить качающийся рычаг включения передачи заднего хода к вилке включения передачи заднего хода. Установить Е-образное стопорное кольцо при помощи отвертки, чтобы зафиксировать качающийся рычаг включения передачи заднего хода и вилку включения передачи заднего хода.

21. Установить качающийся рычаг включения передачи заднего хода и вилку включения передачи заднего хода в сборе на их установочное место, как показано на рисунке.

22. Установить стальной шарик и пружину в качающийся рычаг включения передачи заднего хода.

23. Установить ось вилки включения передачи заднего хода, как показано на рисунке.

- 24. Установить стальной шарик и направляющий стержень блокировки включения.
- 1) Установить стальной шарик внутрь качающегося рычага включения передачи заднего хода.
- 2) Установить направляющий стержень блокировки включения в промежуточную пластину коробки передач и установить стальной шарик в ось вилки включения передачи заднего хода.

25. Установить вилку включения третьей передачи и ось вилки включения третьей передачи.

26. Установить стопорное кольцо оси вилки включения передачи заднего хода и оси вилки включения третьей передачи при помощи отвертки, как показано на рисунке.

27. Установить направляющий стержень блокировки включения в промежуточную пластину коробки передач.

- 28. Установить вилку включения пер-вой передачи и ось вилки включения первой передачи.
- 1) Нанести тонкий слой чистого трансмиссионного масла внутрь отверстия для штифта оси вилки включения первой передачи и установить короткий штифт блокировки включения внутрь оси вилки включения.
- 2) Затем вставить ось вилки включения первой передачи внутрь вилки включения первой передачи, через промежуточную пластину коробки передач.
Примечание:
Соблюдать осторожность, чтобы не перепутать установочное направление вилки включения первой передачи.
Соблюдать осторожность, чтобы не уронить короткий штифт блокировки включения.

29. Установить направляющий стержень блокировки включения в промежуточную пластину коробки передач.

30. Установить вилку включения второй передачи и ось вилки включения второй передачи.
Примечание:
Ось вилки включения второй передачи должны быть установлена через отверстие промежуточной пластины коробки передач, отверстие вилки включения первой передачи и отверстие вилки включения второй передачи.
Соблюдать осторожность, чтобы не перепутать установочное направление вилки включения второй передачи.

31. Зафиксировать вилку включения третьей передачи и ось вилки включения третьей передачи при помощи эластичного цилиндрического штифта, установив его при помощи специального приспособления, как показано на рисунке.

- 32. Установить стопорное кольцо оси вилки включения первой передачи и стопорное кольцо оси вилки включения второй передачи при помощи отвертки, как показано на рисунке.
- 33. Зафиксировать вилку включения первой передачи и вилку включения второй передачи при помощи крепежных болтов. Затянуть крепежные болты рекомендуемым моментом затяжки при помощи динамометрического ключа.
Момент затяжки: 15,6-23,4 Нм.
34. Установить стальные шарики, пружины и вкрутить резьбовые пробки.
1) Установить стальные шарики и пружины.

2) Вкрутить резьбовые пробки и затянуть их рекомендуемым моментом затяжки при помощи динамометрического ключа.
Момент затяжки: 12,95-24,05 Нм.

35. Установить стопорное кольцо вала одометра.

36. Установить стальной шарик и ведущую шестерню одометра.

37. Установить стопорное кольцо вала одометра.


38. Поместить магнит на его установочное место, как показано на рисунке.