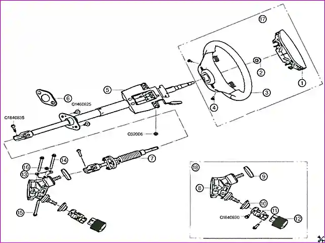
На автомобиль установлено рулевое управление с реечным рулевым механизмом, оснащенным гидравлическим усилителем и регулируемой рулевой колонкой. Рулевое колесо установлено на шлицах рулевого вала и зафиксировано самоконтрящейся гайкой. Под накладкой рулевого колеса находится подушка безопасности.


Положение рулевого колеса можно регулировать в горизонтальной и вертикальной плоскости. Для этого опускаем рычаг фиксирующего механизма рулевой колонки, устанавливаем рулевое колесо в удобное положение и фиксируем его в этом положении, подняв рычаг вверх.

Рулевой вал составной. Он состоит из нижнего, промежуточного и верхнего валов. На кронштейне верхнего рулевого вала установлен замок зажигания с противоугонным устройством. Промежуточный вал неразборный и имеет на концах два карданных шарнира.
Поворот рулевого колеса через валы рулевой колонки передается на шестерню рулевого механизма, которая входит в зацепление с подвижной рейкой. Рейка рулевого механизма соединена с рычагами поворотных кулаков рулевыми тягами, через которые передает усилие на передние колеса автомобиля.
Длину рулевых тяг можно изменять, вворачивая или выворачивая их из наконечников, регулируя тем самым схождение передних колес.

Рабочая жидкость в бачке гидропривода усилителя рулевого управления - проверка уровня
Бачок расположен в передней части моторного отсека справа. Для контроля уровня рабочей жидкости в системе гидроусилителя рулевого управления на бачке имеются метки.
Доливайте только специальную жидкость для гидроусилителей. Использование в системе гидроусилителя не рекомендованных жидкостей может стать причиной неисправности рулевого управления.
- 1. Устанавливаем автомобиль на ровную горизонтальную площадку и выключаем двигатель.
- 2. Открываем капот и протираем бачок гидроусилителя ветошью.

3. По меткам на бачке определяем уровень рабочей жидкости.

Уровень должен находиться между метками MIN и МАХ.
4. При необходимости доводим уровень рабочей жидкости до нормы, для этого снимаем крышку бачка.

5. Заливаем в бачок новую жидкость, рекомендованную заводом-изготовителем, до метки МАХ (см. «Справочные данные»).

6. Закрываем бачок крышкой.
Если приходится регулярно доливать жидкость, следует проверить герметичность системы гидроусилителя рулевого управления, (см. ниже, «Рулевое управление проверка технического состояния»).
Рулевое управление - проверка технического состояния
Проверку технического состояния необходимо выполнять в соответствии с планом технического обслуживания.
Для выполнения работы потребуется смотровая канава или эстакада
Работу выполняем с помощником.
- 1. Проверяем уровень рабочей жидкости в бачке гидроусилителя рулевого управления, при необходимости доводим его до нормы (см. выше).
- 2. Для проверки люфта в рулевом управлении поворачиваем рулевое колесо в положение, соответствующее движению прямо. На панель приборов укладываем шлицевую отвертку таким образом, чтобы ее лезвие располагалось рядом с ободом рулевого колеса. Поворачиваем рулевое колесо влево до начала поворота колес (выбирая люфт), а затем вправо и, ориентируясь по лезвию отвертки, проволокой, мелом или иным способом отмечаем эти положения на ободе. Люфт не должен превышать 30 мм при измерении по наружной части обода.
Увеличенный люфт свидетельствует о необходимости поиска и устранения неисправности. Как правило, в первую очередь в рулевом управлении выходят из строя наконечники рулевых тяг. Также возможно ослабло крепление рулевого механизма или необходима его замена.

3. Для проверки отсутствия люфта в наконечниках рулевых тяг кладем руку на место соединения рулевого наконечника с поворотным кулаком так, чтобы ладонь касалась их одновременно.

Помощник слегка покачивает рулевое колесо из стороны в сторону. При появлении люфта в наконечнике рулевой тяги, будет ощущаться смещение поворотного рычага относительно наконечника. Неисправный наконечник рулевой тяги заменяем (см. ниже).
4. Осматриваем защитные чехлы рулевых тяг (см. «Рулевая тяга замена»). На них не должно быть трещин и разрывов. Поврежденный чехол необходимо заменить.

Для проверки отсутствия люфтов в шарнирах рулевых тяг, нащупываем шарниры через чехлы и просим помощника покачать рулевое колесо из стороны в сторону. При наличии люфта рулевую тягу необходимо заменить.
5. Помощник запускает двигатель и вращает рулевое колесо сначала в одну сторону, затем в другую. Прислушиваемся к работе насоса гидроусилителя рулевого управления.
Насос должен работать ровно и тихо. При появлении посторонних звуков (скрежетов, скрипов) насос необходимо заменить. Если при поворачивании рулевое колесо немного подклинивает, необходимо прокачать систему гидроусилителя рулевого управления.
6. Осматриваем шланги и трубопроводы системы гидроусилителя рулевого управления и их соединения.

При наличии потеков заменяем уплотнения соединений или сами шланги и трубопроводы.

7. При работающем двигателе аккуратно открываем крышку бачка гидроусилителя рулевого управления: жидкость не должна вспениваться.
Причиной вспенивания жидкости может быть попавший в систему воздух (систему необходимо прокачать, см. ниже, «Система гидроусилителя рулевого управления заполнение и прокачка») или слишком низкий уровень жидкости (см. «Рабочая жидкость в бачке гидропривода усилителя рулевого управления проверка уровня»).
Описанную ниже проверку выполняйте на свободном от транспортных средств участке дороги.
8. Двигаясь со скоростью 35 км/ч, поворачиваем рулевое колесо на 90°. Через 1-2 секунды отпускаем рулевое колесо: оно должно повернуться обратно на 70°. В противном случае необходимо проверить рулевой редуктор и насос гидроусилителя на специализированной станции технического обслуживания.
Система гидроусилителя рулевого управления - заполнение и прокачка
После ремонта, связанного с разгерметизацией системы гидроусилителя рулевого управления, а также при подозрении на попадание в нее воздуха, систему гидроусилителя рулевого управления необходимо прокачать (удалить из нее воздух). В последнем случае сначала следует определить и устранить причину попадания воздуха в систему и только затем приступать к прокачке.
Для выполнения работы потребуется рабочая жидкость гидроусилителя рулевого управления (см. «Справочные данные»).
- 1. Подготавливаем автомобиль к выполнению работы.
- 2. Вывешиваем передние колеса автомобиля.
- 3. Проверяем уровень жидкости в бачке ГУР и при необходимости доливаем жидкость до отметки МАХ.
- 4. Поворачиваем рулевое колесо от упора до упора пять-шесть раз.
- 5. Извлекаем предохранитель Ef5 10 A (см. «Топливопровод - сброс давления топлива»).
- 6. Поворачивая рулевое колесо от упора до упора, периодически проворачиваем коленчатый вал двигателя стартером. Операцию выполняем несколько раз.
В процессе прокачки проверяем уровень жидкости в бачке гидроусилителя. Если проводить прокачку при запущенном двигателе, то пузырьки воздуха не будут успевать выйти из жидкости и будут циркулировать вместе с ней по системе. Поэтому прокачивать необходимо, как описано выше.
- 9. Устанавливаем на место предохранитель.
- 10. Поворачиваем рулевое колесо от упора до упора, пока в бачке гидроусилителя не перестанут выходить пузырьки воздуха.
- 11. Убеждаемся, что жидкость в бачке не вспенена и находится на требуемом уровне.
- 12. Убеждаемся, что изменение уровня жидкости при повороте рулевого колеса очень незначительно.
- 13. Запускаем двигатель и проверяем падение уровня жидкости. Выключаем двигатель.
Если уровень жидкости резко возрастает при остановке двигателя, значит, в системе гидроусилителя рулевого управления остался воздух и необходимо повторно прокачать систему. Также при наличии в системе воздуха при работе насоса гидроусилителя будут слышны посторонние звуки, а рулевое колесо будет немного подклинивать, в результате это может привести к повреждению насоса.
- 14. Если разница между уровнями при заглушенном и запущенном моторе превышает 5 мм, повторяем прокачку.
- 15. Проверяем уровень жидкости в бачке гидроусилителя рулевого управления и при необходимости доводим его до нормы.
Основные данные для обслуживания и ремонта:
- Рабочая жидкость гидроусилителя Dexron-III
- Объём системы гидроусилителя рулевого управления:760-820/750-800* л
- Максимальный суммарный люфт деталей рулевого управления (по ободу рулевого колеса): 30 мм
- Максимальный прогиб ремня привода насоса гидроусилителя (усилие большого пальца руки, около 10 кгс, на верхнюю ветвь ремня): 5-7 мм
- Номер по каталогу гайки крепления рулевого колеса: 3404011-К00
*Для бензинового/дизельного двигателя.
Моменты затяжки резьбовых соединений:
- Наименование деталей - Момент затяжки: Нм
- Гайка крепления рулевого колеса: 45-55 Нм
- Гайка крепления пальца шарового шарнира наконечника рулевой тяги к поворотному кулаку: 165-175 Нм
- Контргайка наконечника рулевой тяги: 64-78 Нм
- Рулевая тяга к рулевому механизму: 78-98 Нм
- Гайки крепления трубопроводов системы гидроусилителя к рулевому механизму: 12-18 Нм