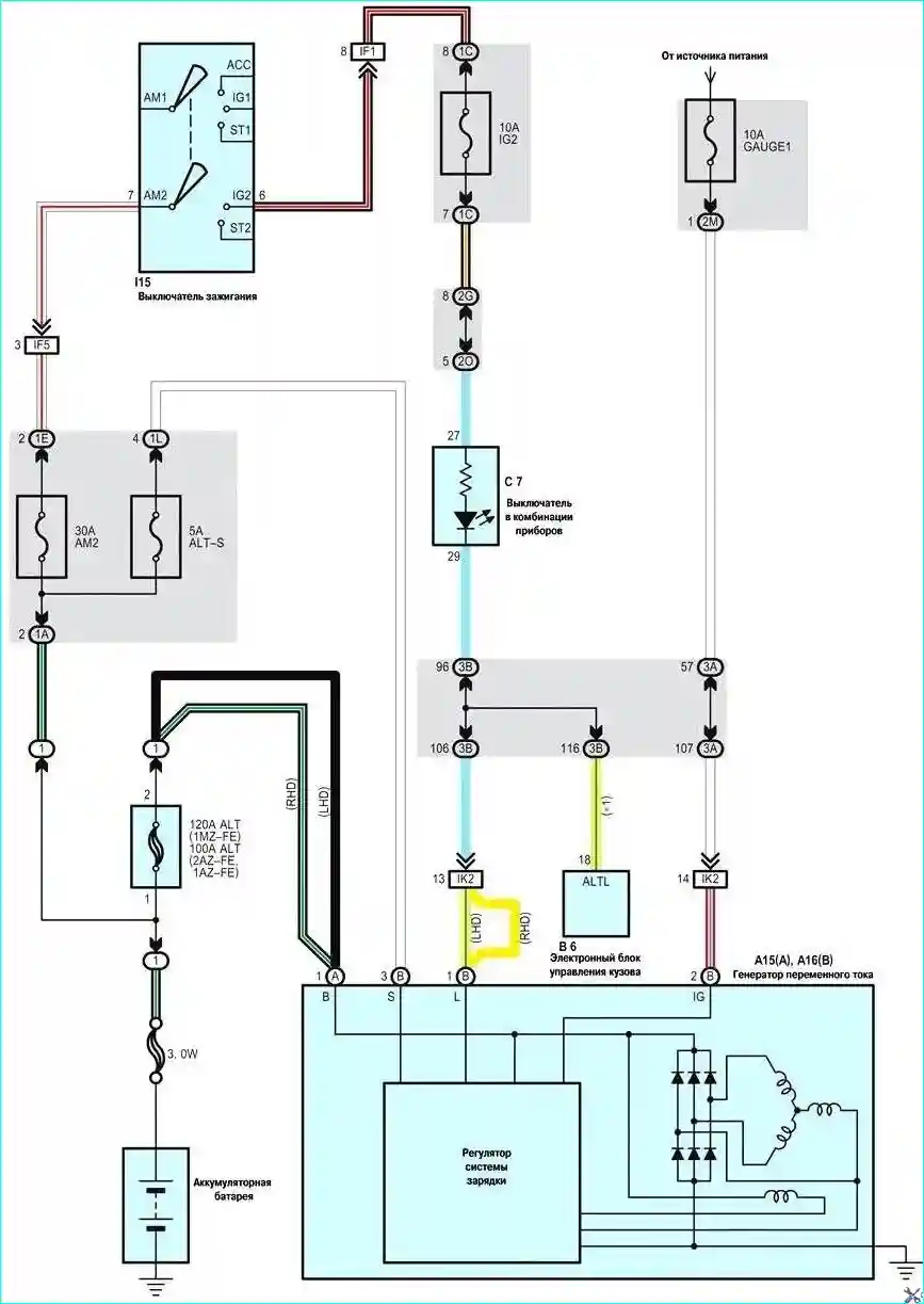
Система электроснабжения состоит из генератора, регулятора напряжения и аккумуляторной батареи
При совместной работе этих устройств обеспечивается питание таких потребителей электроэнергии, как зажигание, фары, радиоприемник и др.
На автомобилях установлены генераторы переменного тока.
При установке дополнительного электрооборудования проверьте, чтобы мощности генератора было достаточно для питания этого оборудования.
Основные элементы генератора – ротор, статор, выпрямитель, щетки коллектора, электронный регулятор напряжения, подшипники и шкив ремня.
Привод генератора осуществляется ремнем от коленчатого вала двигателя.
Генератор представляет собой трехфазную синхронную электрическую машину с электромагнитным возбуждением.
Для преобразования переменного тока в постоянный в генератор встроен диодный выпрямитель.
Напряжение регулируется встроенным электронным регулятором напряжения.
При работе генератора электрический ток, протекающий по обмотке возбуждения, создает вокруг полюсов ротора магнитный поток.
При вращении ротора под каждым зубцом статора оказывается то южный, то северный полюс ротора.
Рабочий магнитный поток, проходящий через зубцы статора, меняется по величине и напряжению.
Этот переменный магнитный поток создает в обмотке статора электродвижущую силу.
Клиновая форма полюсных наконечников ротора подобрана таким образом, что позволяет получить форму кривой электродвижущей силы, близкую к синусоидальной.
При высокой частоте вращения ротора генератора, когда напряжение становится больше 13,6–14,6 В, регулятор напряжения запирается, и ток через обмотку возбуждения не проходит.
Напряжение генератора падает, регулятор отпирается и снова, пропускает ток через обмотку возбуждения.
Чем выше частота вращения ротора генератора, тем больше время запертого состояния регулятора, следовательно, тем сильнее снижается напряжение на выходе генератора.
Процесс запирания и отпирания регулятора происходит с высокой частотой, поэтому колебания напряжения на выходе генератора не заметны и практически его можно считать постоянным, поддерживаемым на уровне 13,6–14,6 В.
При проверках генератора и эксплуатации автомобиля необходимо соблюдать ряд правил, чтобы не вывести генератор из строя:
– не допускайте работу генератора с отсоединенной от его зажима аккумуляторной батареей.
Без аккумуляторной батареи в бортовой сети автомобиля возникают опасные импульсы перенапряжения при отключении каких-либо потребителей электроэнергии.
Они могут вывести из строя электронное оборудование
автомобиля, в том числе регулятор напряжения и диоды выпрямительного блока генератора;
- – не проверяйте работоспособность генератора «на искру» даже кратковременным соединением «плюсового» зажима генератора с «массой», так как в этом случае через диоды протекает значительный ток, и они повреждаются. Контролируйте напряжение генератора только вольтметром;
- – отрицательная клемма аккумуляторной батареи должна всегда соединяться с «массой» автомобиля, а положительная – с зажимом генератора.
Ошибочное (обратное) включение батареи немедленно вызовет прохождение повышенного тока через диоды генератора, и они выйдут из строя;
- – не проверяйте диоды напряжением более 12 В или мегомметром, так как он имеет слишком высокое для диодов напряжение, и при проверке они будут пробиты (произойдет короткое замыкание).
При проверке изоляции электропроводки мегомметром отсоединяйте все провода от генератора;
- – отсоединяйте все провода от генератора и аккумуляторной батареи при электросварке каких-либо деталей кузова;
- – проверяйте цепи и узлы электрооборудования и устраняйте неисправности при неработающем двигателе и отсоединенной аккумуляторной батарее.
