Электрическая схема комбинации приборов разбита на четыре части

Часть 1

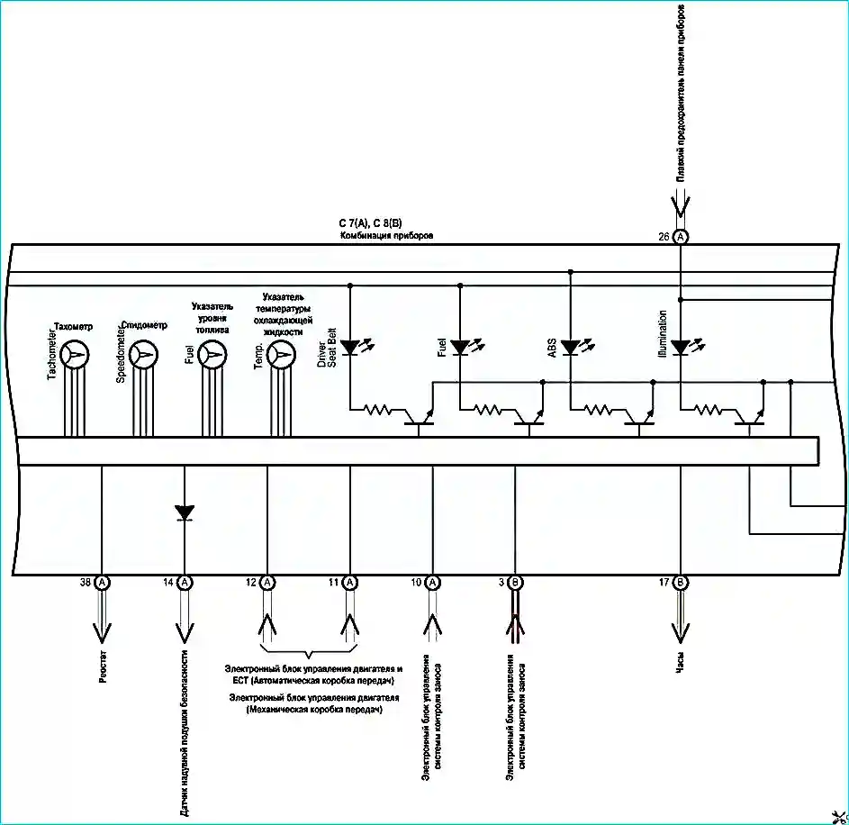
Часть 2

Часть третья

Четвертая часть схемы

Схему можно увеличить, кликнув по ней или открыв в новом окне браузера.

Схема разбита по частям.

Выберите язык