Датчики управления двигателем 1az-fe
Датчики системы управления двигателем передают информацию электронному блоку управления, по которой ЭБУ рассчитывает параметры регулирования впрыска топлива и управления углом опережения зажигания
Датчик расхода воздуха

Датчик расхода воздуха вставного типа позволяет части воздуха впуска протекать через область чувствительного элемента.
Непосредственно измеряет массу и расход воздуха на впуске, точность измерения улучшена, а сопротивление потоку воздуха – уменьшено.
Датчик расхода воздуха имеет встроенный датчик температуры воздуха на впуске.
Датчик угла поворота коленчатого вала

Ротор синхронизации коленчатого вала имеет 34 зуба, 2 зуба – отсутствуют.
Датчик угла поворота коленчатого вала (см. рис. 2) выводит сигналы вращения коленчатого вала каждые 10 °, недостающие зубья используются для определения верхней мертвой точки.
Датчик положения распределительного вала

Датчик положения распредвала (рис. 3) установлен слева на головке блока цилиндров.
Для определения положения распредвала на роторе синхронизации имеется выступ, при прохождении которого рядом с датчиком за каждые 2 оборота коленчатого вала генерируется 1 импульс.
Датчик положения дроссельной заслонки

Этот датчик преобразует угол открытия дроссельной заслонки в электрические сигналы с двумя различными характеристиками и передает их в электронный блок управления двигателя (рис. 4).
Один сигнал (VTA) линейного изменения напряжения во всем диапазоне угла открытия дроссельной заслонки, другой – сигнал (VTA2) напряжения смещения.
Датчик положения педали управления подачей топлива

Этот датчик преобразует угол поворота педали управления подачей топлива в электрические сигналы с двумя различными характеристиками и передает их в электронный блок управления двигателя (рис. 5).
Один сигнал (VРA) линейного изменения напряжения во всем диапазоне угла поворота педали управления подачей топлива, другой – сигнал (VРA2) напряжения смещения.
Система EFI электронная система впрыска топлива

Система впрыска топлива с электронным управлением типа L воздуха на впуске с помощью датчика расхода воздуха термоанемометрического типа.
Применяется независимая система впрыска (в которой топливо впрыскивается в каждый цилиндр один раз за каждые два оборота коленчатого вала).
Кроме того, при пуске двигателя используется групповой впрыск (топливо впрыскивается один раз в два цилиндра за каждый оборот коленчатого вала).
Существует два режима работы системы впрыска топлива:
- a) синхронный впрыск, при котором базовая длительность впрыска корректируется по сигналам датчиков так, чтобы впрыск топлива происходил всегда при определенном положении коленчатого вала;
- b) асинхронный впрыск, при котором впрыск топлива производится при обнаружении запросов по сигналам датчиков независимо от угла поворота коленчатого вала.
Кроме того, для защиты двигателя и повышения топливной экономичности система производит отсечку топлива, при которой впрыск топлива временно прекращается в соответствии с условиями движения.
Система ETCS-I (интеллектуальная система управления дроссельной заслонкой с электроприводом)

В обычном дроссельном патрубке открытие дроссельной заслонки однозначно определяется усилием на педали управления подачей топлива.
Напротив, в системе ETCS-i электронный блок управления двигателя рассчитывает оптимальный угол открытия дроссельной заслонки, который соответствует условиям движения, и использует электродвигатель привода дроссельной заслонки, чтобы управлять ее открытием.
Трос и рычаг привода дроссельной заслонки были удалены, а датчик положения установлен на педали управления подачей топлива.
Электронный блок управления двигателя приводит в действие электродвигатель привода дроссельной заслонки путем задания целевого угла открытия дроссельной заслонки в соответствии с режимом движения автомобиля.
Он управляет дроссельной заслонкой, чтобы постоянно поддерживать на определенном уровне частоту вращения двигателя на холостом ходу
Защита от ударных нагрузок
Во время переключения передач управление дроссельной заслонкой синхронизируется с работой системы ECT (трансмиссия с электронным управлением), чтобы уменьшить ударные нагрузки
Система автоматического регулирования скорости движения
Электронный блок управления двигателя с интегрированным электронным блоком управления системы автоматического регулирования скорости движения непосредственно приводит в действие дроссельную заслонку для автоматического регулирования скорости движения
Система VVT-I (интеллектуальное управление фазами газораспределения)

Система VVT-i предназначена для управления распредвалом привода впускных клапанов в широком диапазоне 50° (углов поворота коленчатого вала)
Она обеспечивает момент открытия или закрытия клапана, который оптимально соответствует условиям работы двигателя, осуществляя, таким образом, повышение крутящего момента во всех диапазонах частоты вращения и топливной экономичности и снижая выбросы вредных веществ с отработавшими газами.
Фактический момент открытия или закрытия впускного клапана определяется датчиком положения распредвала для постоянного сравнения с целевым моментом открытия или закрытия клапана и формирования соответствующего управляющего воздействия.
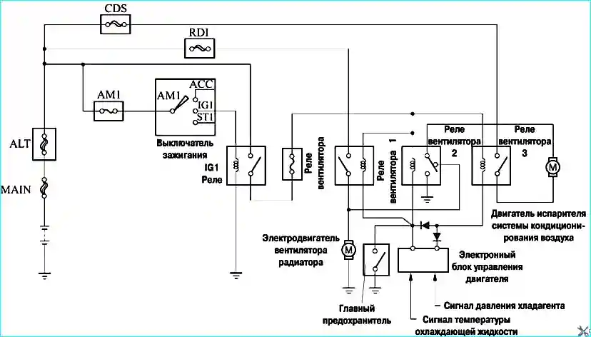
Управление вентилятором системы охлаждения двигателя

В отличие от предыдущей системы электрических вентиляторов, датчик-выключатель температуры охлаждающей жидкости был удален.
Вместо этого для управления электродвигателем вентилятора используется датчик температуры охлаждающей жидкости, что упростило систему.
Система управления вентилятором системы охлаждения включает/выключает 3 реле вентилятора в соответствии с температурой охлаждающей жидкости и режимом работы системы кондиционирования воздуха.
Когда вентиляторы включены, два электродвигателя вентиляторов могут работать на низкой (последовательно) или высокой (параллельно) скорости.