Снятие
- - Во избежание повреждения окрашенных поверхностей кузова закройте передние крылья автомобиля защитными чехлами.
- - Снятие головки цилиндров производится, когда температура охлаждающей жидкости соответствует температуре окружающей среды (двигатель холодный).
- - Заглушите отсоединенные трубки или шланги, чтобы предотвратить попадание посторонних частиц внутрь.
- - Будьте осторожны при отсоединении шлангов, не проливайте масло или другую жидкость.
- - Будьте осторожны при отсоединении разъемов жгута проводов, удерживайте их за корпус разъема.
Примечание: при отсоединении шлангов всегда предварительно наносите установочные метки, чтобы при подсоединении шланги были установлены в исходное положение.
- 1. Отсоедините провод от отрицательной клеммы аккумуляторной батареи.
- 2. Отверните болты крепления и снимите декоративную крышку двигателя.

Модели до 2009 г.

Модели с 2009 г.
- 3. (Модели до 2009 г.) Снимите воздушный фильтр.
- 4. (Модели до 2009 г.) Снимите впускной воздуховод и корпус воздушного фильтра.
- a) Снимите датчик массового расхода воздуха.
- б) Отсоедините вентиляционный шланг от корпуса воздушного фильтра.
- в) Отсоедините разъем электронного блока управления двигателем.
- г) Снимите впускной воздуховод (В) и корпус воздушного фильтра (А).


- 5. (Модели с 2009 г.) Отсоедините вентиляционный шланг (А), разъем ЭБУ двигателем (В) и снимите воздушный фильтр (С).
- 6. Снимите передние колеса.

- 7. Снимите нижнюю часть защиты двигателя (А).
- 8. Слейте охлаждающую жидкость.
- 9. Снимите шланги радиатора (А).

Модели до 2009 г.

Модели с 2009 г.
10. Снимите шланги отопителя (А).

Модели до 2009 г.

Модели с 2009 г.

11. (Модели до 2009 г.) Отсоедините выключатель компрессора кондиционера (А), разъем генератора (В) и разъем датчика аварийного давления масла (С).

12. (Модели с 2009 г.) Отсоедините разъем электропневмоклапана системы изменения геометрии впускного коллектора (А), разъем датчика аварийного давления масла (В), разъем датчика детонации (С) и выключатель компрессора кондиционера (D).

13. (Модели до 2009 г.) Отсоедините разъемы клапана системы CVVT и датчика температуры масла.

14. (Модели с 2009 г.) Отсоедините разъем клапана системы CVVT (впускных клапанов).

15. (Модели до 2009 г.) Отсоедините разъемы форсунок (А).

16. (Модели с 2009 г.) Отсоедините разъемы форсунок (А) и разъемы катушек зажигания (В).

17. (Модели до 2009 г.) Отсоедините разъем электропривода дроссельной заслонки (А).

18. (2,4 л модели да 2009 г.) Отсоедините разъем электропривода дроссельной заслонки (А) и разъем датчика абсолютного давления во впускном коллекторе (В).

19. (2,0 л модели до 2009 г.) Отсоедините разъемы клапана системы управления частотой вращения холостого хода (А), датчика положения дроссельной заслонки (В), датчика абсолютного давления во впускном коллекторе (С) и трос привода дроссельной заслонки (D).

20. (Модели до 2009 г.) Отсоедините разъемы датчика детонации (В) и датчика положения распределительного вала (А).

21. (Модели с 2009 г.) Отсоедините разъем датчика положения распределительного вала (А), топливный шланг (В), вакуумный шланг усилителя тормозов (С) и шланг системы принудительной вентиляции картера (D).

22. (Модели до 2009 г.) Отсоедините разъемы катушек зажигания (А).

23. (Модели до 2009 г.) Отсоедините разъем клапана системы принудительной вентиляции картера (A), разъем датчика температуры охлаждающей жидкости (В), разъем конденсатора (С), разъем датчик положения коленчатого вала (D).

24. (Модели до 2009 г.) Снимите топливный коллектор (A), вакуумный шланг усилителя тормозов (В) и шланг системы принудительной вентиляции картера (С).


25. (Модели с 2009 г.) Отсоедините разъем клапана системы принудительной вентиляции картера (A), разъем датчика температуры охлаждающей жидкости (В), разъем конденсатора (С), разъем датчик положения коленчатого вала (D), разъем датчик положения распределительного вала (E) и вакуумный шланг усилителя тормозов (F).

26. Снимите впускной патрубок охлаждающей жидкости.


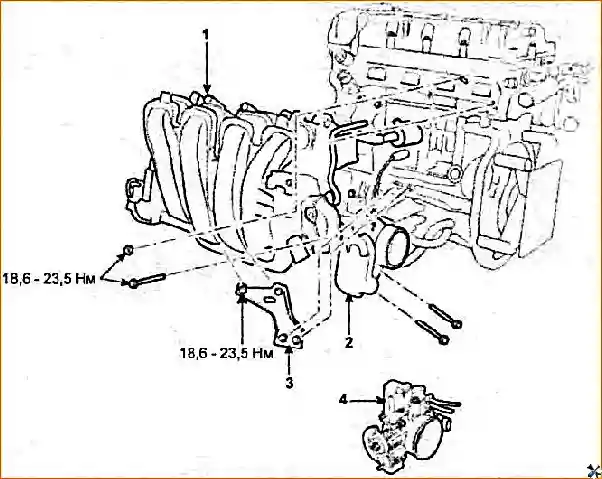
27. Снимите впускной коллектор.
а) Отсоедините шланги (А) охлаждающей жидкости от корпуса дроссельной заслонки.

б) (Модели до 2009 г.) Снимите разъем датчик аварийного давления масла (А) с кронштейна.


в) (Модели до 2009 г.) Снимите разъем датчика детонации (А) с кронштейна.

г) (Модели с 2009 г.) Отсоедините разъемы датчиков (A) и снимите стойку впускного коллектора (В).
Момент затяжки …… 19 - 24 Нм


.д) Снимите шланг системы принудительной вентиляции картера (А).

е) Снимите направляющую масляного щупа.

ж) (Модели до 2009 г.) Снимите стойку впускного коллектора (А).
Момент затяжки … 19 - 27 Нм
з) (Модели до 2009 г.) Снимите впускной коллектор (А) вместе с прокладкой (В).
Момент затяжки …19 - 27 Нм

и) (Модели с 2009 г.) Снимите впускной коллектор (А).
Момент затяжки …… 19 - 23 Нм

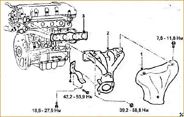
28. Снимите выпускной коллектор.

- а) (Модели до 2009 г.) Отсоедините разъем кислородного датчика (А).
- б) (Модели до 2009 г.) Отсоедините переднюю трубу системы выпуска.
Момент затяжки ……40 - 58 Нм
в) (Модели с 2009 г.) Отсоедините разъем кислородного датчика (А), снимите переднюю трубу системы выпуска (В) и отверните болт стойки выпускного коллектора (С).
Момент затяжки:
- гайка……40 - 58 Нм
- болт. 42 - 53 Нм

г) Снимите теплозащитный экран выпускного коллектора (А).

Момент затяжки:
- модели до 2009 г.… 19 - 27 Нм
- модели с 2009 г. … 9 - 11 Нм

д) (Модели до 2009 г.) Снимите стойку выпускного коллектора.
Момент затяжки… 52 - 57 Нм
е) Снимите выпускной коллектор (А) вместе с прокладкой (В).
Момент затяжки…… 40 - 44 Нм

Модели до 2009 г

Модели с 2009 г.
- 29. Снимите цепь привода ГРМ (см."Цепь привода ГРМ").
- 30. Снимите звездочки распределительных валов (А).

Модели до 2009 г.

Модели с 2009 г.
- 31. Снимите распределительные валы (см. "Проверка и регулировка зазоров в приводе клапанов")
- 32. (Модели до 2009 г.) Снимите клапан системы CVVT (A) и датчик температуры масла (В).

33. (Модели с 2009 г.) Снимите клапаны системы CWT (A).

.34. Равномерно, в несколько проходов ослабьте, а затем отверните 10 болтов крепления головки блока цилиндров в последовательности, показанной на рисунке. Снимите шайбы.

Примечание:
- Отворачивайте болты крепления строго в указанной последовательности, невыполнение данного условия может привести к короблению головки блока цилиндров или к появлению трещин.
Во избежание повреждения поверхности под прокладку установите головку блока цилиндров в сборе на деревянные бруски после снятия с двигателя.
Разборка, проверка, ремонт и сборка
Проверка исполнительного механизма CVVT
- 1. Проверьте, что исполнительный механизм CVVT не вращается.
- 2. Заклейте с помощью изоляционной ленты отверстия на распределительном валу, кроме указанного стрелкой на рисунке.

3. Подайте сжатый воздух к исполнительному механизму CVVT через отверстие на распределительном валу под давлением 147-150 кПа.
Внимание:
- - Будьте осторожны, при подаче воздуха возможно разбрызгивание масла.
- - В случае разбрызгивания, удалите масло с помощью ветоши.
Примечание: при подаче воздуха под давлением произойдет отжатие стопорного штифта, когда корпус исполнительного механизма находится в положении, соответствующему наиболее позднему открытию и закрытию впускных клапанов (максимальный угол задержки).
4. При условиях, указанных в пункте "3". убедитесь, что корпус исполнительного механизма CVVT вращается от руки в направлении, соответствующем более раннему открытию (и закрытию) впускных клапанов.

- 5. В зависимости от подведенного давления, поворот корпуса исполнительного механизма CVVT осуществляется без приложения дополнительных усилий (без проворачивания его рукой) или, наоборот, с чрезмерным усилием вследствие наличия утечек воздуха, из-за чего происходит неполное отжатие стопорного штифта.
- 6. За исключением положения, когда стопорный штифт не отжат и, соответственно, установлен максимальный угол задержки открытия впускных клапанов, проверьте диапазон подвижности исполнительного механизма. Механизм считается исправным, если его корпус вращается вперед-назад без заеданий из нейтрального положения примерно на 25°.
- 7. После завершения проверки поверните корпус исполнительного механизма CVVT в положение, соответствующее наиболее позднему открытию и закрытию впускных клапанов (максимальный угол задержки), затем прекратите подачу сжатого воздуха для устранения отжатия стопорного штифта.
Установка
Примечание:
- - Всегда устанавливайте новую прокладку головки блока цилиндров.
- - Прокладка головки блока цилиндров металлическая, будьте осторожны, не сгибайте прокладку.
- - Очистите все детали.
- - Установите поршень 1-ого цилиндра в ВМТ такта сжатия.
1. Установите фильтр системы CVVT.

2. Установите новую прокладку (А)
Внимание: будьте осторожны, не допускайте попадания материала прокладки или других посторонних частиц в цилиндры, каналы системы охлаждения и каналы системы смазки.

3. Установите головку блока цилиндров.
Внимание: всегда устанавливайте новые болты крепления головки блока цилиндров.
- а) Осторожно установите головку блока цилиндров на двигатель, чтобы не повредить прокладку.
- б) Нанесите небольшое количество чистого моторного масла на резьбу и под головки болтов крепления головки блока цилиндров.
- в) Установите шайбы болтов крепления головки блока цилиндров стороной с фаской вверх.
- г) Постепенно, в три этапа, затяните болты крепления головки блока цилиндров в порядке, указанном на рисунке.
Момент затяжки:
- 1 этап … 34,3 Нм
- 2 этап … 90°
- 3 этап … 90°
Примечание: если болт крепления головки блока цилиндров доворачивается на суммарный угол меньше 180°, то затяжка болта будет недостаточной (не будет обеспечена надежность газового стыка).

4. Установите датчик температуры масла (В) и клапан системы CWVT (A).

Внимание:
Замените электромагнитный клапан, если его случайно уронили.
- - Перед установкой электромагнитного клапана выполните его очистку.
- - Во избежание повреждения электромагнитного клапана при проведении операций не удерживайте его за рабочую часть.
- - После установки электромагнитного клапана в отверстие на головке блока цилиндров не прикладывайте усилие к фланцу клапана.
Моменты затяжки:
- клапан …… 10 - 12 Нм
- датчик …… 19 - 24 Нм
5. Установите звездочку системы CVVT на распределительный вал впускных клапанов.

- 6. Установите распределительные валы (см. "Проверка и регулировка зазоров в приводе клапанов").
- 7. Установите впускной патрубок охлаждающей жидкости (А).

Момент затяжки:
- болт…… 15 - 21 Нм
- гайка……20 - 26 Нм
8. Дальнейшая установка производится в порядке обратном снятию.